Generalmente se piensa que las antenas no son capaces de acumular mucha energía. La concepción popular es que la única energía disponible son las ondas de radio de bajo nivel de transmisores de radio distantes, y si bien es cierto que las ondas de radio pueden captarse con una antena, las verdaderas fuentes de energía no son los transmisores de radio. Por ejemplo, estaremos mirando información de Hermann Plauston y él consideró cualquier sistema aéreo suyo que no produjera más de un exceso de energía de 100 kilovatios, como un sistema “pequeño”. Thomas Henry Moray demostró su sistema al público en repetidas ocasiones, obteniendo niveles de potencia de hasta 50 kilovatios. Estos niveles de potencia no son producidos por señales de estaciones de radio. Sistema de Nikola Tesla. Nikola Tesla produjo un dispositivo aéreo que vale la pena mencionar. Fue patentado el 21 de mayo de 1901 como un «Aparato para la utilización de energía radiante», patente de Estados Unidos número 685,957.

El dispositivo parece simple, pero Tesla afirma que el capacitor debe tener “una capacidad electrostática considerable” y recomienda usar mica de la mejor calidad para construirlo como se describe en su patente de 1897 No. 577,671. El circuito consume energía a través de una placa de metal brillante aislada. El aislamiento puede ser de plástico en aerosol. Cuanto más grande sea la placa, mayor será la captación de energía. Cuanto más alto se eleva la placa, mayor es la captación.

Este sistema de Tesla recoge energía día y noche. El condensador se carga y un interruptor vibratorio descarga repetidamente el condensador en el transformador reductor. El transformador reduce el voltaje y aumenta la corriente disponible y la salida se utiliza para alimentar la carga eléctrica.
Parece probable que este dispositivo funcione principalmente con electricidad estática, que algunas personas creen que es una manifestación del campo de energía de punto cero. El equipo de Tesla bien podría funcionar si lo alimenta una máquina Wimshurst a motor en lugar de una gran placa aérea. Los detalles de los equipos de Wimshurst hechos en casa están disponibles en el libro «Homemade Lightning» de R.A. Ford, ISBN 0-07-021528-6. Sin embargo, debe entenderse que Tesla describió dos formas diferentes de captación de energía. La primera es la electricidad estática, que se obtiene de una interacción muy leve de la placa de captación con el campo de energía de punto cero que fluye a través de ella, y la otra es la captación de eventos dinámicos de energía radiante, típicamente de los rayos. A simple vista, la persona promedio no consideraría los rayos como una fuente viable de energía, pero este no es el caso ya que hay alrededor de doscientos rayos por segundo, principalmente en los trópicos, y lo que generalmente no se comprende es que son eventos de energía radiante y sus efectos se sienten instantáneamente en cualquier lugar de la tierra, ya que las transmisiones a través del campo de energía de punto cero son instantáneas a cualquier distancia. Para aclarar un poco más la situación, aquí hay dos de las patentes de Tesla, una sobre la captación del campo estático que, según Tesla, parece tener un voltaje ilimitado, y una patente sobre la captación de energía dinámica. Esta es una copia ligeramente modificada de esta patente, ya que algunas palabras han cambiado de significado desde que se emitió esta patente.
Si desea ver el original, http://www.freepatentsonline.com le permitirá descargar una copia sin cargo.
Patente US 685,957 5 de noviembre de 1901 Inventor: Nikola Tesla
APARATO PARA LA UTILIZACIÓN DE ENERGÍA RADIANTE
A todos los que corresponda: Que se sepa que yo, Nikola Tesla, ciudadano de los Estados Unidos, residente en el distrito de Manhattan, en la ciudad , condado y estado de Nueva York, han inventado ciertas mejoras nuevas y útiles en Aparatos para la Utilización de Energía Radiante, de las cuales la siguiente es una especificación, teniendo como referencia los dibujos que acompañan y forman parte de la misma. Es bien sabido que ciertas radiaciones, como las de luz ultravioleta, catódica, rayos Roentgen o similares, poseen la propiedad de cargar y descargar conductores de electricidad, siendo la descarga particularmente notable cuando el conductor sobre el que inciden los rayos está electrificado negativamente.
Estas radiaciones generalmente se consideran vibraciones de éter de longitudes de onda extremadamente pequeñas y, en explicación de los fenómenos señalados, algunas autoridades han asumido que ionizan o hacen conductora la atmósfera a través de la cual se propagan. Sin embargo, mis propios experimentos y observaciones me llevan a conclusiones más acordes con la teoría que he expuesto hasta ahora de que fuentes de tal energía radiante arrojan con gran velocidad partículas diminutas de materia que están fuertemente electrificadas y, por lo tanto, capaces de cargar un conductor eléctrico. , o, incluso si no es así, puede en cualquier caso descargar un conductor electrificado, ya sea llevando corporalmente su carga o de otra manera.
Mi presente solicitud se basa en un descubrimiento que hice de que cuando se permite que los rayos o radiaciones del tipo anterior caigan sobre un cuerpo conductor aislado conectado a uno de los terminales de un condensador, mientras que el otro terminal del condensador está hecho para recibir o llevar electricidad, una corriente fluye hacia el condensador siempre que el cuerpo aislado esté expuesto a los rayos y, en las condiciones que se especifican a continuación, se produce una acumulación indefinida de energía eléctrica en el condensador. Después de un intervalo de tiempo adecuado durante el cual se deja actuar a los rayos, esta energía puede manifestarse en una descarga poderosa, que puede usarse para el funcionamiento o control de dispositivos mecánicos o eléctricos, o puede ser útil de muchas otras formas.
Al aplicar mi descubrimiento, proporciono un condensador, preferiblemente de considerable capacidad electrostática, y conecto uno de sus terminales a una placa de metal aislada u otro cuerpo conductor expuesto a los rayos o corrientes de materia radiante. Es muy importante, particularmente en vista del hecho de que la energía eléctrica se suministra generalmente al condensador a una velocidad muy lenta, construir el condensador con el mayor cuidado. Prefiero usar la mejor calidad de mica como dieléctrico, tomando todas las precauciones posibles en el aislamiento de las armaduras, para que el instrumento pueda soportar grandes presiones eléctricas sin fugas y no deje electrificación perceptible al descargar instantáneamente. En la práctica, he descubierto que los mejores resultados se obtienen con condensadores tratados de la manera descrita en la Patente 577.671 que me fue otorgada el 23 de febrero de 1897.
Obviamente, las precauciones anteriores deben observarse con más rigor cuanto más lenta sea la velocidad de carga y menor el intervalo de tiempo durante el cual se permite que la energía se acumule en el condensador. La placa aislada o cuerpo conductor debe presentar a los rayos o corrientes de materia, tan grande como superficie como es práctico, habiendo comprobado que la cantidad de energía que se le transmite por unidad de tiempo es, en condiciones idénticas, proporcional al área expuesta, o casi. Además, la superficie debe estar limpia y preferiblemente muy pulida o amalgamada. El segundo terminal o armadura del capacitor puede estar conectado a uno de los polos de una batería u otra fuente de electricidad, o a cualquier cuerpo u objeto conductor cualquiera de tales propiedades o condicionado de tal manera que por sus medios, la electricidad de la señal requerida suministrarse al terminal.
Una forma sencilla de suministrar electricidad positiva o negativa al terminal es conectarlo a un conductor aislado apoyado a cierta altura en la atmósfera, oa un conductor puesto a tierra, el primero, como es sabido, suministra electricidad positiva y el segundo negativa. . Como los rayos o supuestos corrientes de materia generalmente transmiten una carga positiva al primer terminal del condensador mencionado anteriormente. Suelo conectar el segundo terminal del condensador a tierra, siendo esta la forma más conveniente de obtener electricidad negativa, prescindiendo de la necesidad de proporcionar una fuente artificial.
Para usar la energía recolectada en el capacitor para cualquier propósito útil, también conecto a los terminales del capacitor, un circuito que contiene un instrumento o aparato que se desea operar, y otro instrumento o dispositivo para cerrar y abrir alternativamente el circuito. Este último dispositivo puede ser cualquier forma de circuito-controlador con partes fijas o móviles o electrodos, que pueden ser accionados por la energía almacenada o por medios independientes. Mi descubrimiento se comprenderá mejor a partir de la siguiente descripción y dibujos, donde la figura 1 es un diagrama que muestra la disposición general del aparato como se emplea habitualmente.

La figura 2 es un diagrama similar, que ilustra con más detalle las formas típicas de los dispositivos o elementos utilizados en la práctica.

La figura 3 y la figura 4 son diagramas de disposiciones modificadas adecuadas para fines especiales.

La figura 1 muestra la forma más simple, en la que C es el condensador, P la placa aislada o cuerpo conductor que está expuesto a los rayos, y P ‘otra placa o conductor que está conectado a tierra, todos conectados en serie como se muestra. Los terminales T y T ‘del condensador C también están conectados a un circuito que contiene un dispositivo R que se va a operar, y un dispositivo de control de circuito d como se describió anteriormente. Con el aparato dispuesto como se muestra, se encontrará que cuando la radiación del sol, o cualquier otra fuente capaz de producir los efectos descritos anteriormente, caiga sobre la placa P, habrá una acumulación de energía en el condensador C. Creo que este fenómeno se explica mejor de la siguiente manera: el sol, así como otras fuentes de energía radiante, arroja partículas diminutas de materia positivamente electrificada, que golpeando la placa P, crean una carga eléctrica sobre ella. El terminal opuesto del condensador está conectado a tierra, lo que puede considerarse un vasto depósito de electricidad negativa, una corriente débil fluye continuamente hacia el condensador, y dado que estas supuestas partículas son de un radio o curvatura inconcebiblemente pequeño, y en consecuencia , cargado a un voltaje muy alto, esta carga del condensador puede continuar como realmente he observado, casi indefinidamente, incluso hasta el punto de romper el dieléctrico. Si el dispositivo d es de tal carácter que operará para cerrar el circuito en el que está incluido cuando el voltaje del capacitor haya alcanzado un cierto nivel, entonces la carga acumulada pasará por el circuito, operando el receptor R.

En la ilustración de este efecto, la figura 2 muestra la misma disposición general que la figura 1, y el dispositivo d se muestra compuesto por dos placas conductoras t y t ‘muy delgadas que se mueven libremente y están colocadas muy cerca una de la otra. La libertad de movimiento puede ser por la flexibilidad de las placas o por el carácter de su soporte. Para mejorar su acción, deben estar encerrados en una carcasa en la que se pueda extraer el aire. Las placas t y t ‘están conectadas en serie en un circuito de trabajo que incluye un receptor adecuado, que en este ejemplo se muestra como un electroimán M, una armadura móvil a, un resorte b y una rueda de trinquete w, provista de un resorte. -trinquete r, que se pivota para la armadura a como se ilustra. Cuando la radiación cae sobre la placa P, una corriente fluye hacia el capacitor hasta que su voltaje hace que las placas t y t ‘se atraigan juntas, cerrando el circuito y energizando el imán M, lo que hace que baje la armadura ay provoque una rotación de la rueda de trinquete w. Cuando se detiene el flujo de corriente, el resorte b retrae el inducido, sin embargo, sin mover la rueda w. Con la interrupción de la corriente, las placas t y t ‘dejan de ser atraídas y separadas, restaurando así el circuito a su estado original.

La figura 3 muestra una forma modificada de aparato utilizado en conexión con una fuente artificial de energía radiante, que en este caso puede ser un arco que emite copiosos rayos ultravioleta. Puede proporcionarse un reflector adecuado para concentrar y dirigir la radiación. Un imán R y un circuito-controlador d están dispuestos como en las figuras anteriores, pero en este caso, en lugar de realizar todo el trabajo, el imán realiza la tarea de abrir y cerrar alternativamente un circuito local, que contiene una fuente de corriente B y un dispositivo receptor o traductor D. El controlador d puede, si se desea, constar de dos electrodos fijos separados por un espacio de aire diminuto o una película dieléctrica débil que se rompe más o menos repentinamente cuando se alcanza una diferencia de voltaje definida en los terminales condensador y vuelve a su estado original cuando se produce la descarga.

Otra modificación más se muestra en la figura 4, en la que S, la fuente de energía radiante es una forma especial de tubo Roentgen ideado por mí, que tiene solo un terminal k, generalmente de aluminio, en forma de media esfera, con una Superficie lisa y pulida en la parte frontal, de la que se desprenden los arroyos. Puede excitarse conectándolo a uno de los terminales de cualquier generador con una fuerza electromotriz suficientemente alta; pero cualquiera que sea el aparato que se utilice, es importante que se elimine en gran medida el aire del interior del tubo; de lo contrario, podría resultar completamente ineficaz.
El circuito de trabajo o de descarga conectado a los terminales T y T ‘del capacitor, incluye, en este caso, el devanado primario p de un transformador, y un circuito-controlador compuesto por un terminal fijo o escobilla ty un terminal móvil t ‘en forma de rueda, con segmentos conductores y aislantes, que puede girar a una velocidad arbitraria por cualquier medio adecuado. En relación inductiva con el devanado primario p, hay un devanado secundario s, generalmente de un número mucho mayor de vueltas, a cuyos extremos se conecta un receptor R. Los terminales del condensador se conectan como se muestra, uno a una placa aislada P y el otro a una placa P ‘puesta a tierra.
Cuando el tubo S se excita, se emiten rayos o corrientes de materia que transmiten una carga positiva a la placa P y al terminal del condensador T, mientras que el terminal del condensador T ‘recibe continuamente electricidad negativa de la placa P’. Como ya se explicó, esto da como resultado una acumulación de energía eléctrica en el capacitor, y esto continúa mientras el circuito que incluye el devanado primario p esté interrumpido.
Siempre que el circuito se cierra por la rotación del terminal t ‘, la energía almacenada se descarga a través del devanado primario p, dando lugar a corrientes inducidas en el devanado secundario s, que acciona el receptor R. Se desprende de lo expuesto. arriba, que si el terminal T ‘está conectado a una placa que suministra electricidad positiva en lugar de negativa, entonces los rayos deben transportar electricidad negativa a la placa P. La fuente S puede ser cualquier forma de tubo de Roentgen o Leonard, pero es obvio por la teoría de la acción que, para ser muy eficaz, los impulsos que la excitan deben ser total o principalmente de un solo signo.
Si se emplean corrientes alternas simétricas ordinarias, se debería prever que los rayos caigan sobre la placa P sólo durante los períodos en los que pueden producir el resultado deseado. Obviamente, si la radiación de la fuente se detiene o intercepta, o si la intensidad varía de alguna manera, como interrumpir periódicamente o variar rítmicamente la corriente que excita la fuente, habrá cambios correspondientes en la acción sobre el receptor R y, por lo tanto, las señales se pueden transmitir y muchos otros efectos útiles producidos. Además, se entenderá que cualquier forma de cierre de circuito que responda o se ponga en funcionamiento cuando se almacena una cantidad predeterminada de energía en el condensador, puede usarse en lugar del dispositivo ya descrito en relación con la figura 2. La segunda patente requiere que el equipo esté sintonizado a un cuarto de la longitud de onda de los pulsos de energía que se recolectan.
Esta patente muestra un método de transmisión y un método de recepción, pero nuestra principal preocupación aquí es la sección de recepción que se muestra a la derecha del diagrama, ya que puede recibir pulsos de energía que ocurren naturalmente en el medio ambiente y, por lo tanto, proporciona energía utilizable gratuita. Como puede ser un poco difícil visualizar la disposición de la bobina en esta patente, ya que muchas personas están familiarizadas con la disposición «Tesla Coil», en la que se utilizan unas pocas vueltas de alambre grueso o tubería de cobre como un devanado colocado alrededor de una bobina cilíndrica ordinaria, mucho como, esta ilustración de la patente de Tesla US 568,178:

En este caso, debe entenderse que Tesla está hablando de su diseño de bobina plana «panqueque» y no de la conocida configuración de bobina de Tesla.
Patente US 649,621 15 de mayo de 1900 Inventor: Nikola Tesla
APARATO PARA LA TRANSMISIÓN DE ENERGÍA ELÉCTRICA
A todos los que corresponda: Que se sepa que yo, Nikola Tesla, ciudadano de los Estados Unidos, residente en el distrito de Manhattan, en la ciudad , condado y estado de Nueva York, han inventado ciertas mejoras nuevas y útiles en Aparatos para la Transmisión de Energía Eléctrica, de las cuales la siguiente es una especificación, teniendo como referencia el dibujo que acompaña y forma parte del mismo.

Esta solicitud es una división de una solicitud presentada por mí el 2 de septiembre de 1897, US 650,343 titulada «Sistemas de transmisión de energía eléctrica» y se basa en características y combinaciones nuevas y útiles de aparatos mostrados y descritos en esa solicitud de patente. Esta invención comprende una bobina o conductor transmisor en el que se producen corrientes u oscilaciones eléctricas y que está dispuesto para hacer que estas corrientes u oscilaciones se propaguen por conducción a través del medio natural desde un lugar a un lugar remoto, y una bobina o conductor receptor adaptado ser excitado por las oscilaciones o corrientes propagadas por el transmisor. Este aparato se muestra en el diagrama adjunto donde A es una bobina, generalmente de muchas vueltas y de un diámetro muy grande, enrollada en forma de espiral, ya sea alrededor de un núcleo magnético o no como se desee. C es una segunda bobina formada por un conductor de mucho mayor tamaño y menor longitud, enrollado alrededor y cerca de la bobina A.
El aparato en un punto se usa como transmisor, la bobina A en este caso forma un secundario de alto voltaje de un transformador, y la bobina C el primario que opera a un voltaje mucho más bajo. La fuente de corriente para el devanado primario está marcada con G. Un terminal del devanado secundario A está en el centro de la bobina en espiral, y desde este terminal la corriente es conducida por un conductor B a un terminal D, preferiblemente de gran superficie, formado o mantenido por medios tales como un globo a una altura adecuada para la transmisión. El otro terminal del devanado secundario A está conectado a tierra y, si se desea, al devanado primario también para que el devanado primario también pueda tener sustancialmente el mismo voltaje que las partes adyacentes del devanado secundario, garantizando así la seguridad.
En la estación receptora se utiliza un transformador de construcción similar, pero en este caso la bobina A ‘constituye el devanado primario y la bobina C’ más corta es el devanado secundario. En este circuito de recepción, las lámparas L, los motores M u otros dispositivos para utilizar esta corriente están conectados. El terminal elevado D ‘se conecta con el centro de la bobina A’ y el otro terminal está conectado a tierra y preferiblemente, también, a la bobina C ‘nuevamente por razones de seguridad como se mencionó anteriormente. La longitud de la bobina de alambre delgado en cada transformador debe ser aproximadamente un cuarto de la longitud de onda de la perturbación eléctrica en el circuito, esta estimación se basa en la velocidad de propagación de la perturbación a través de la bobina en sí y el circuito con el que se produce. diseñado para ser utilizado. A modo de ilustración, si la velocidad a la que fluye la corriente a través del circuito que contiene la bobina es de 185,000 millas por segundo, entonces una frecuencia de 925 Hz mantendría 925 nodos estacionarios en un circuito de 185,000 millas de largo y cada onda tendría 200 millas de pulgada. largo.
Para una frecuencia tan baja, a la que solo se recurrirá cuando sea indispensable para el funcionamiento de motores ordinarios, usaría un devanado secundario devanado de un cable de 50 millas de longitud. Al ajustar la longitud del cable en el devanado secundario, los puntos de mayor voltaje se hacen coincidir con los terminales elevados D y D ‘, y debe entenderse que cualquiera que sea la longitud del cable que se elija, este requisito de longitud debe cumplirse con el fin de para obtener los mejores resultados posibles. Se entenderá fácilmente que cuando existen estas relaciones, se alcanzan las mejores condiciones para la resonancia entre los circuitos de transmisión y recepción y debido al hecho de que los puntos de voltaje más alto en las bobinas A y A ‘coinciden con los terminales elevados, el El flujo máximo de corriente se producirá en las dos bobinas y esto implica que la capacitancia e inductancia en cada uno de los circuitos tengan los valores que produzcan el sincronismo más perfecto con las oscilaciones.
Cuando la fuente de corriente G está en funcionamiento y produce corrientes pulsantes u oscilantes rápidamente en el circuito de la bobina C, las correspondientes corrientes inducidas de voltaje mucho más alto se generan en la bobina secundaria A, y dado que el voltaje en esa bobina aumenta gradualmente con la número de vueltas hacia el centro, y la diferencia de voltaje entre vueltas adyacentes es comparativamente pequeña, se genera un voltaje muy alto, que no sería posible con bobinas ordinarias. Como el objetivo principal es producir una corriente con un voltaje excesivamente alto, este objetivo se facilita utilizando una corriente en el devanado primario que tiene una frecuencia muy considerable, pero esa frecuencia es en gran medida, arbitraria, porque si el voltaje es suficiente alto y los terminales de las bobinas se mantienen a la altura adecuada donde la atmósfera se enrarece, el estrato de aire servirá como un medio conductor con incluso menos resistencia que a través de un conductor ordinario.
En cuanto a la elevación de las terminales D y D ‘, es obvio que se trata de una cuestión que vendrá determinada por una serie de factores, como la cantidad y la calidad del trabajo a realizar, el estado de la atmósfera y el carácter del campo circundante. Por lo tanto, si hay montañas altas en las cercanías, las terminales deben estar a una altura mayor y, en general, deben estar a una altitud mucho mayor que la de los objetos más altos cerca de ellas. Dado que, por los medios descritos, se puede producir prácticamente cualquier voltaje que se desee, las corrientes a través de los estratos de aire pueden ser muy pequeñas, reduciendo así la pérdida en el aire. El aparato de la estación receptora responde a las corrientes propagadas por el transmisor de una manera que se entenderá bien a partir de la descripción anterior. El circuito primario del receptor – es decir, la bobina de alambre delgado A ‘- es excitado por las corrientes propagadas por conducción a través del medio natural intermedio entre él y el transmisor, y estas corrientes inducen en la bobina secundaria C’, otras corrientes que se utilizan para operar los dispositivos conectados a ese circuito.
Obviamente, las bobinas receptoras, los transformadores u otros aparatos pueden ser móviles, como por ejemplo, cuando son transportados por un barco flotando en el aire o por un barco en el mar. En el primer caso, la conexión de un terminal del aparato receptor a tierra puede no ser permanente, pero puede establecerse de manera intermitente o inductiva. Cabe señalar que la sugerencia de Tesla de usar la envolvente conductora de un globo especialmente construido como un buen método para aumentar el área activa de la placa receptora elevada, es una que fue adoptada por Hermann Plauston cuando estaba construyendo centrales eléctricas que operaban naturalmente. energía que ocurre. Thomas Henry Moray En este campo, Thomas Henry Moray es sobresaliente. En 1936, había desarrollado un aparato que era capaz de producir alta potencia sin ninguna potencia de entrada generada por humanos.

Se dice que el equipo de Moray contenía un diodo de germanio que él mismo construyó en los días antes de que los dispositivos de estado sólido estuvieran disponibles. El equipo fue examinado y probado muchas veces. En decenas de ocasiones demostró el equipo que impulsa un banco de veinte bombillas de 150W, más un calentador de 600W, más una plancha de 575W (un total de 4.175 kW). La energía captada por este dispositivo solo necesitaba cables de pequeño diámetro y tenía características diferentes a la electricidad convencional. Una demostración que se repitió muchas veces fue para mostrar que el circuito de potencia de salida podía romperse y colocarse una hoja de vidrio ordinario entre los extremos cortados del cable, sin interrumpir el suministro. Este tipo de energía se llama “electricidad fría” porque los cables delgados que transportan cargas de energía importantes no se sobrecalientan. Se dice que esta forma de energía fluye en ondas que rodean los cables de un circuito y no atraviesan los cables en absoluto. A diferencia de la electricidad convencional, no utiliza electrones para la transmisión y es por eso que puede continuar a través de una hoja de vidrio que detendría la electricidad convencional en seco. En una ocasión, Moray se llevó su equipo de todas las zonas urbanas a un lugar elegido al azar por un crítico. Luego instaló el equipo y demostró la potencia de salida, lejos de cualquier inducción eléctrica generada por el hombre. Desconectó la antena y mostró que la salida de energía se detuvo inmediatamente. Volvió a conectar la antena para generar la salida como antes. Luego desconectó la conexión a tierra que detuvo la salida nuevamente. Cuando el cable de tierra se volvió a conectar, la potencia de salida volvió. Descubrió que el nivel de producción de energía descendía un poco durante la noche.

Desarrolló varias versiones del dispositivo, la última de las cuales no necesitaba conexiones aéreas o de tierra, pesaba 50 libras y tenía una potencia de 50 kilovatios. Este dispositivo fue probado tanto en un avión como en un submarino, demostrando así que el dispositivo es completamente autónomo y portátil. También se probó en lugares que estaban completamente protegidos de la radiación electromagnética. Moray fue baleado y herido en un intento de asesinato en su laboratorio. Esto hizo que cambiara el cristal de su coche por un cristal a prueba de balas. Fue amenazado muchas veces. Su equipo de demostración fue aplastado con un martillo. Cuando se profirieron amenazas contra su familia, dejó de reconstruir su equipo y parecía haber centrado su atención en otras cosas, produciendo un dispositivo para el tratamiento médico «terapéutico».
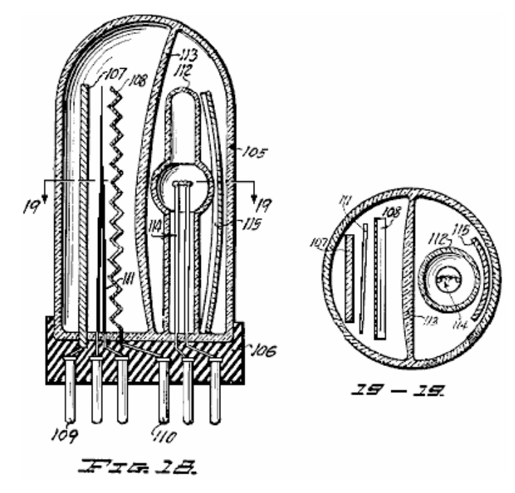
En su libro “La máquina de energía de T. Henry Moray”, Moray B. King proporciona más información sobre este sistema. Afirma que a Moray se le negó una patente debido a que el examinador no podía ver cómo el dispositivo podía generar tanta energía cuando los cátodos de la válvula no estaban calentados. Moray recibió la patente estadounidense 2.460.707 el 1 de febrero de 1949 para un aparato electroterapéutico, en la que incluyó la especificación de las tres válvulas utilizadas en su dispositivo de potencia, aparentemente porque quería que estuvieran cubiertas por una patente. Por lo que puede verse, la válvula que se muestra aquí es un tubo oscilador. Moray afirmó que este tubo tenía una capacitancia muy alta de 1 Faradio cuando funcionaba a su frecuencia resonante. A Moray le gustaba usar cuarzo en polvo como dieléctrico en los condensadores que fabricaba, y tenía la costumbre de mezclar sales de radio y minerales de uranio con el cuarzo. Estos materiales pueden ser importantes para producir ionización en estos tubos y esa ionización puede ser importante para aprovechar el campo de energía.

El tubo que se muestra arriba tiene un condensador de seis capas formado por dos anillos metálicos circulares en forma de U con el espacio entre ellos lleno de un material dieléctrico. Las placas se muestran en rojo y azul, mientras que el dieléctrico se muestra en verde. Dentro del condensador, hay un anillo separado de material dieléctrico (posiblemente hecho de un material diferente) y un anillo interior de metal corrugado para formar un electrodo de descarga de cepillo de iones. Las conexiones del condensador y el electrodo se llevan a los pines en la base del tubo. Se sugiere cuarzo para el material de la cubierta exterior del tubo y se dice que el elemento de alambre numerado 79 en el diagrama es un elemento calefactor destinado a ser alimentado por una fuente de corriente de bajo voltaje. Sin embargo, como a Moray se le negó una solicitud de patente anterior alegando que no había ningún elemento calefactor en sus tubos, es claramente posible que el elemento calefactor que se muestra aquí sea falso y esté dibujado únicamente para evitar el rechazo de los examinadores. En su patente, Moray se refiere al capacitor en este tubo como un capacitor «chispeante», por lo que puede haberlo estado conduciendo con voltajes excesivamente altos que causaron roturas repetidas del material del capacitor.

El tubo de la figura 16 anterior utiliza una técnica diferente en la que se usa un tubo de rayos X para bombardear un electrodo corrugado a través de una pantalla que contiene una ventana de rayos X. Se cree que se utilizó una breve ráfaga de rayos X para desencadenar ráfagas muy breves y agudas de iones entre el ánodo y el cátodo del tubo, que recogen energía extra con cada ráfaga. En la figura 18 a continuación se muestra una versión alternativa de este tubo. Aquí la construcción es bastante similar, pero en lugar de una ventana de rayos X, se utilizan una lente y un reflector para provocar la ionización del canal de conmutación entre el ánodo y el cátodo. En ambos tubos, el electrodo corrugado soporta una formación de corona justo antes del pulso corto de conmutación de rayos X, y se cree que los iones contribuyen a la intensidad de los pulsos resultantes que emergen del tubo. Los pulsos unidireccionales muy cortos pueden provocar condiciones en las que se puede captar energía adicional. ¿De dónde viene esta energía extra? En 1873, James Clerk Maxwell publicó su “Tratado sobre electricidad y magnetismo” y en él señaló que el vacío contiene una cantidad considerable de energía (Vol. 2, p. 472 y 473).
John Archibald Wheeler de la Universidad de Princeton, un físico destacado que trabajó en el proyecto de la bomba atómica estadounidense, ha calculado la densidad de flujo del vacío. La aplicación de la fórmula E = mC2 de Einstein indica que hay suficiente energía en cada 1 cc de espacio «vacío» para crear toda la materia en el universo visible que se puede ver con nuestros telescopios más poderosos. Esa cantidad de energía es tan grande que va más allá de la imaginación. Este campo de energía se conoce como «Energía Universal», «Energía Cósmica» o «Energía de Punto Cero». En este momento, no tenemos ningún instrumento que responda directamente a esta energía, por lo que es casi imposible de medir. La existencia de este campo de energía es ahora ampliamente aceptada por la ciencia convencional y está confirmada por la situación encontrada a niveles cuánticos. Generalmente se piensa que esta energía tiene una forma caótica y para que la energía útil se extraiga de ella, necesita ser reestructurada en una forma coherente. Parece que los pulsos electromagnéticos unidireccionales de un milisegundo o menos se pueden utilizar para provocar la reestructuración necesaria, ya que generan una onda coherente hacia el exterior de energía radiante, de la cual se puede extraer energía para su uso en la mayoría de los dispositivos eléctricos, si se dispone de un receptor adecuado. se utiliza el sistema.
Tom Bearden afirma que a nivel cuántico, la energía hirviente de este campo aparece continuamente como cargas positivas y negativas. Como están distribuidos uniformemente, la carga neta en cualquier punto es siempre cero. Si se crea un “dipolo” (dos cargas opuestas una cerca de la otra) en cualquier lugar, entonces polariza el campo de energía interrumpiendo la distribución de cargas antes uniforme y provocando que corrientes masivas de energía irradien hacia afuera desde el dipolo. Un pulso de voltaje actúa como un dipolo, siempre que el aumento de voltaje sea lo suficientemente rápido, y eso es lo que causa una onda de energía radiante que se abre en abanico desde la ubicación del pulso de voltaje. Las baterías y los imanes crean dipolos continuos y, por lo tanto, hacen que el campo de energía cuántica local envíe corrientes continuas de energía masiva que se pueden utilizar si (y solo si) se sabe cómo hacerlo. La búsqueda de mecanismos para capturar y utilizar incluso una pequeña fracción de estas corrientes de energía es de lo que se trata el campo de investigación de la “energía libre”. Algunas personas decir que no existe la «energía gratuita» porque hay que pagar por el dispositivo que la captura. Eso es como ir en autobús a un concesionario de automóviles donde están regalando automóviles nuevos y decir que su automóvil nuevo no era un automóvil «gratis» porque tuvo que pagar una tarifa de autobús para llegar al concesionario de automóviles.

Moray King sugiere que el circuito utilizado por Thomas Henry Moray era el siguiente:

No cabe duda de que Thomas Henry Moray construyó varias versiones de su aparato, cada una de las cuales producía una potencia de salida muy superior a la potencia de entrada necesaria. Parece muy probable que la mayoría de ellos no usaran energía de entrada en absoluto, y si hubiera otros, habrían sido alimentados por una pequeña fracción de la potencia de salida. Si se utilizó material radiactivo suave como se describe, entonces la potencia de salida no podría atribuirse de ninguna manera a esa fuente únicamente, ya que la potencia de salida era miles de veces mayor que cualquier potencia disponible de los materiales radiactivos. Quizás sea el momento de explicar un poco más sobre voltaje, potencia y corriente. Nos han educado con la noción de que es necesario «quemar» un combustible para obtener energía, que las baterías «se agotan» cuando se usan y que hay que seguir girando el eje de un generador eléctrico para poder extraer corriente de él. . Estas cosas no son realmente ciertas. El campo relativamente reciente de la Mecánica Cuántica muestra que si una carga, como la que tiene un electrón, se coloca en lo que se supone que es un espacio «vacío», no está sola. El espacio «vacío» en realidad está hirviendo de energía, hasta el punto de que las partículas «virtuales» aparecen por una fracción de segundo y luego desaparecen de nuevo. Se les llama «virtuales» porque existen por poco tiempo.
Debido a la carga negativa del electrón, las partículas que aparecen y desaparecen a su alrededor tendrán carga positiva. El electrón ha «polarizado» el espacio a su alrededor porque tiene carga. En el instante en que aparece una partícula «virtual» positiva, hay dos cargas cerca una de la otra: menos en el electrón y más en la partícula. Cuando tienes dos cargas opuestas cerca una de la otra, forman un «dipolo». Los dipolos forman una puerta de entrada a través de la cual la energía del medio ambiente fluye continuamente. Un instante después, la partícula desaparece, pero inmediatamente otra partícula virtual ocupa su lugar. El resultado es una corriente continua de energía que fluye desde el dipolo. Las baterías con sus terminales positivo y negativo son dipolos eléctricos, al igual que los generadores cuando se hace girar el eje de entrada. Los imanes permanentes con sus polos norte y sur son dipolos magnéticos. Ambos tienen corrientes continuas de energía que fluyen a través de ellos.
Entonces, ¿por qué las baterías se agotan y pierden su carga? La razón es que alimentamos los circuitos mediante un circuito cerrado. La energía que fluye de una terminal fluye hacia la terminal opuesta y destruye instantáneamente el dipolo. Se debe crear un nuevo dipolo cada fracción de segundo si el circuito va a entregar energía, y es ese método de uso autodestructivo el que hace que la batería se descargue o el que necesita que el eje del generador gire continuamente. Si se usa una técnica de operación diferente, donde el dipolo no se destruye continuamente, entonces se pueden construir dispositivos que pueden proporcionar un flujo continuo de energía extraída de nuestro entorno natural. Esto no es magia, solo el siguiente paso en la ciencia y la ingeniería convencionales. Thomas Henry Moray lo logró, inicialmente con una antena y una tierra como un juego de cristal para proporcionar el dipolo, su dispositivo fue capaz de extraer muchos kilovatios de energía del medio ambiente. No se necesitaba combustible, la energía ya está rodeándonos a todos, todo el tiempo.
Hasta donde yo sé, nadie ha logrado replicar el dispositivo de Moray (que fue la razón por la que fue reprimido violentamente) pero saber que existía y se demostró repetidamente que funcionaba perfectamente bien, es útil porque demuestra que es posible aproveche el enorme campo de energía de punto cero con un dispositivo práctico construido en casa. Aquí hay una colección de elementos adicionales de información recopilados de varias fuentes diferentes: Moray comenzó sus experimentos con «la toma de electricidad del suelo», como él lo describió, durante el verano de 1909. En el otoño de 1910 tenía suficiente energía para operar un pequeño dispositivo eléctrico, y demostró su idea a dos amigos. Las primeras etapas de esta demostración consistieron en operar una luz de arco en miniatura. Pronto se le hizo evidente que la energía no era estática y que la estática del universo no le ayudaría a obtener el poder que estaba buscando. Durante las vacaciones de Navidad de 1911, comenzó a darse cuenta plenamente de que la energía con la que estaba trabajando era de naturaleza oscilante. También se dio cuenta de que la energía no provenía de la tierra, sino que venía a la tierra de alguna fuente externa.
Estas oscilaciones eléctricas en forma de ondas no eran simples oscilaciones, sino que surgían como las olas del mar, llegando continuamente a la tierra pero más durante el día que durante la noche, pero siempre llegando como vibraciones del depósito de energía colosal que hay afuera. en el espacio. Para entonces, Moray pudo reunir energía suficiente para encender una lámpara de carbono de 16 velas a aproximadamente la mitad de su capacidad, pero no logró obtener ninguna mejora adicional hasta la primavera de 1925. En 1912, Moray fue llamado a continuar. una misión para la Iglesia de Jesucristo de los Santos de los Últimos Días, y bajo una visa de visitante se le permitió ingresar a Suecia durante la Exposición de 1912 en Estocolmo. En su cuaderno, fechado el 1 de noviembre de 1913, incluyó una nota que decía que había obtenido material de un vagón de ferrocarril en Abisco, Suecia, el verano anterior, y también algo más de material de la ladera de una colina. Hizo pruebas eléctricas de estos materiales, llevándolos a casa para probar cada uno como detector para su máquina de energía. Las pruebas indicaron que esta sustancia blanda, blanca como una piedra, podría ser un buen «detector con forma de válvula».
Este «detector en forma de válvula» es lo que lo llevó a investigar los materiales semiconductores, y a partir de esta piedra blanca suave desarrolló su primera válvula y la válvula que se usó en algunos de sus primeros dispositivos de energía radiante (alambre de plata tocando un la piedra puede actuar como rectificador). Moray demostró que la energía estaba disponible mediante sus acciones sobre una carga resistiva, como una plancha o un calentador de espacio, y al encender bombillas. Un dispositivo resistivo actúa como una carga que es directamente proporcional a la cantidad de energía que se le entrega. Al calentar un calentador o encender una bombilla, la cantidad de vatios producidos se puede calcular como igual a la cantidad de vatios proporcionados al dispositivo. Esta energía se alimenta a una carga para proporcionar calor, luz o energía. Se puede operar un motor, pero debe estar diseñado para funcionar con una fuente de alimentación de alta frecuencia. El dispositivo de energía radiante usó una antena y una tierra conectada a su circuito de energía radiante de estado sólido:

El diagrama que se muestra arriba se reproduce a partir de un boceto dibujado de memoria después de ver el diagrama de circuito de Moray. La persona que lo dibujó no entiende cómo funciona el circuito, así que trate este diagrama como una sugerencia general de cómo podría haber sido el circuito de Moray. En realidad, es mucho más probable que se tratara de una cascada de pares de circuitos de tanques que contienen la válvula de Moray, cada par es un circuito de tanque en serie seguido de un circuito de tanque paralelo, la frecuencia de oscilación cae con cada par de tanques y la potencia de salida aumenta con cada tanque. par. El circuito de Moray comenzó a oscilar acariciando la bobina en forma de U con un imán permanente durante unos segundos, y cuando el circuito comenzó a funcionar, el interruptor ‘S’ se cerró, retirando efectivamente la bobina en forma de U del circuito. Moray pudo demostrar que nada de la energía de salida provenía de su dispositivo. Internamente, el dispositivo estaba eléctricamente muerto cuando no se había conectado y sintonizado con la antena.
Cuando su dispositivo estaba configurado, podía conectarlo a una antena y a tierra, y al cebarlo primero y luego sintonizarlo mientras lo cebaba, el dispositivo consumiría energía eléctrica. Esta energía eléctrica de alta frecuencia producía hasta 250.000 voltios y alimentaba una luz más brillante que la que los testigos habían visto antes. Se pueden conectar cargas pesadas al dispositivo sin atenuar las luces ya conectadas a él. Este dispositivo funcionaba a muchas millas de cualquier fuente conocida de energía eléctrica, como líneas de transmisión de energía o señales de radio. El dispositivo produjo hasta 50.000 vatios de potencia y funcionó durante largos períodos de tiempo. Moray inicialmente asumió que esta energía era de naturaleza electromagnética, sin embargo, nunca afirmó que lo fuera. Al principio asumió que esta energía provenía de la tierra, pero luego creyó que fluía desde el universo. Finalmente, comenzó a creer que estaba presente en todo el espacio, el espacio intermolecular, así como el espacio terrestre y celeste.
No entendía necesariamente cómo funcionaban sus detectores, solo que si construía el dispositivo con mucho cuidado de acuerdo con sus cálculos, funcionaría. Pudo demostrar la existencia de una energía que hoy, aunque no ha sido identificada ni probada, ha sido teorizada por muchos investigadores. El instrumento más grande tenía aproximadamente 6 pulgadas de alto, forma circular y aproximadamente 8 pulgadas de diámetro. Salimos al techo del gallinero llevando el dispositivo en una pequeña tabla de dibujo, erigimos una antena en el techo del gallinero, la antena estaba a unos 100 pies de la casa. Tiramos de los interruptores de la línea principal de la casa antes de salir al tejado. El Sr. Judd hizo que Moray moviera el tablero de dibujo de un lugar a otro y también examinó el interior del gallinero en busca de equipo oculto. A continuación, se montó la máquina en su presencia y se puso en marcha el dispositivo. El Sr. Judd me cronometró para ver cuánto tardaría en encender la luz. Pude encender la lámpara CGE a su máximo brillo y calentar una plancha eléctrica Hotpoint de estilo antiguo hasta el punto de chisporroteo, lo que requirió 655 vatios.
El Sr. Judd pidió que se desconectara la antena. Cuando terminó, la luz se apagó. La antena se volvió a conectar y la luz reapareció. Condujimos una nueva varilla de puesta a tierra en un lugar seleccionado por el Sr. Judd, hicimos una conexión con el nuevo punto de puesta a tierra y la luz se quemó tenue, pero se hizo más y más brillante a medida que la nueva varilla de puesta a tierra se hundía cada vez más en el suelo. Si la tierra o la antena se dejan desconectadas durante demasiado tiempo, el dispositivo se apaga eléctricamente y se debe volver a sintonizar para recuperar el flujo de energía. El Dr. Eyring no encontró fallas en la demostración y lo peor que pudo decir al respecto fue que podría ser inducción, pero que si Moray sacaba el dispositivo en las montañas lejos de todas las líneas eléctricas, una distancia de tres o cuatro millas, y luego operaba, entonces reconocería que no podía ser inducción y que su teoría estaba equivocada. Finalmente decidieron subir Emigration Canyon, ya que no hay cables eléctricos en ese cañón. Los tres caballeros quedaron muy satisfechos y complacidos con lo que vieron.
El cable de la antena se colocó sin ninguna ayuda o instrucciones de parte del Sr. Moray, excepto que sugirió que el cable se estire más para evitar que se doble tanto en el centro. Esto se hizo y el cable pareció despejar el suelo unos 7 u 8 pies en su punto más bajo. La tubería de tierra era una tubería de agua de media pulgada que constaba de dos secciones. La sección inferior estaba apuntada al final para facilitar la conducción hacia el lecho del arroyo. Tenía alrededor de 6 pies de largo y después de ser empujado hacia abajo alrededor de 5 pies, la segunda sección, que tenía aproximadamente 4 pies de largo, se atornilló con una llave y la tubería se empujó más abajo hasta que golpeó un objeto duro, por lo que aproximadamente 7 pies de tubería estaba en el suelo. El cable de la antena se aisló de los postes con dos aislantes de vidrio de aproximadamente 6 pulgadas de largo y con orificios en ambos extremos. Un trozo de cable de aproximadamente 2 pies de largo conectaba cada aislador con el poste. El cable de entrada se sujetó al cable de la antena en un punto a unos 10 o 15 pies del polo este. Ayudé al Sr. Moray a soldar la conexión. Calculé la distancia entre los dos postes de la antena y calculé que era de 87 pies.
El equipo del Sr. Moray, además de la antena y los cables de tierra, consistía en una caja marrón del tamaño de una caja de mantequilla, otra caja sin pintar un poco más pequeña, una caja de cartón de fibra de aproximadamente 6 «x 4» x 4 «, a la que se refirió el Sr. Moray que contiene los tubos, y un zócalo de metal de aproximadamente 14 «x 4» x 1 «que contiene lo que parecía ser un imán en un extremo, un interruptor cerca del medio y un receptáculo para una bombilla eléctrica en el otro extremo. También había varios postes para conectar cables en el rodapié. Cuando todos los cables estuvieron conectados y todo estuvo listo, el Sr. Moray comenzó a sintonizar. Antes de sintonizar, colocó la llave en el poste: dijo que estaría en contacto mientras la luz ardía, pero no apareció ninguna luz. La afinación consistió en acariciar el extremo de un imán a través de dos proyecciones de metal que sobresalen de lo que he mencionado anteriormente como «un imán». Después de un poco más de 10 minutos de sintonización, se colocó la llave en el puesto de operación y la luz apareció de inmediato.
El Sr. Moray puso la llave en el puesto de operación dos o tres veces antes durante la operación de ajuste, pero no apareció ninguna luz. Dejamos que la luz ardiera durante 15 minutos. En mi opinión, el brillo de la luz proveniente de la bombilla de 100 vatios era aproximadamente un 75% más brillante que una bombilla de 100 vatios conectada a un enchufe doméstico normal. Era una luz fija, sin fluctuaciones de ningún tipo. Mientras la luz estaba encendida, el Sr. Moray desconectó el cable de entrada de la antena del aparato y la luz se apagó. Lo conectó de nuevo y apareció la luz. También desconectó el cable de tierra y la luz se apagó. Luego lo conectó y la luz apareció nuevamente. En otra demostración, el Sr. Moray abrió el dispositivo y dejó que todos vieran todo excepto una pequeña parte sobre la que colocó su mano y escondió en su puño. Esta parte la cortó y la guardó en el bolsillo del chaleco. Todo lo demás, a la gente se le permitió examinar hasta el contenido de su corazón. «Si esa pieza es capaz de producir tal energía por sí misma, entonces es un dispositivo y vale la pena venderlo. Tal batería valdría la pena», fueron algunas de las observaciones. En varias ocasiones, el Dr. Moray desconectaba momentáneamente el cable de la antena, pero no lo suficiente como para perder la luz. Al desconectar y conectar el cable de la antena, siempre se podía ver un destello de electricidad en el En una demostración en 1928, la antena utilizada tenía unos 200 pies de largo y estaba colocada a unos 80 pies sobre el suelo: el cable es un cable de cobre de aproximadamente un cuarto de una pulgada de diámetro y bien aislado. La conexión a tierra utilizada fue la tubería de agua en el sótano de la casa del Dr. Moray.
El dispositivo se montó en un baúl por cuyos lados se encontraban orificios para las conexiones a tierra y a la antena y para observación; los agujeros tenían aproximadamente media pulgada de diámetro. Había dos cajas de aproximadamente 10 por 20 por 4 pulgadas, una encima de la otra; ambos se cerraron y las cubiertas se sujetaron con tornillos. En la caja superior había un panel aislante de aproximadamente una pulgada de grosor por 15 pulgadas de largo y 3 pulgadas de ancho; estaba hecho de pizarra o goma dura o algún material de apariencia similar. Sobre esto había dos postes de enlace que podían conectarse entre sí mediante un pequeño interruptor; También montado en este panel había un objeto de aproximadamente 2.5 pulgadas cuadradas, envuelto en cinta de fricción, de la cual sobresalen dos postes de aproximadamente 1/4 de pulgada de diámetro, aparentemente de hierro tamizado. Se conectaron dos casquillos de bombillas en el circuito. En uno de ellos había una bombilla de 20 vatios y en el otro una bombilla de 100 vatios.
Luego, el Dr. Moray tomó un imán, que era una U muy ancha y de extremidades cortas, y comenzó a golpear uno de sus polos en los polos del cuerpo con cinta adhesiva. El señor Jensen colocó los dedos en los postes de encuadernación varias veces y, por fin, recibió un fuerte impacto. El Sr. Moray luego accionó el interruptor y las bombillas se encendieron. Como prueba más de que la conversión de la energía se debió al mecanismo de la caja, el Dr. Moray golpeó la mesa sobre la que se encontraba el baúl, un golpe moderado con un martillo en el que la luz parpadeó y se apagó, debido a la detector que se sacude fuera de ajuste. Se abrieron las cajas en las que se había alojado el mecanismo durante la prueba y se examinó su contenido. Había condensadores, el detector, un transformador y dos tubos en ellos, pero nada más. Nada que se pareciera en lo más mínimo a una batería. Cabe señalar que después de un funcionamiento total de 158 horas, el dispositivo suministró 635 vatios; dado que un caballo de fuerza es solo 746 vatios, esto equivale a 0.878 de un caballo de fuerza o un poco más de 7/8 caballos de fuerza. Esto por sí solo es suficiente para eliminar cualquier sugerencia de batería.
Un informe de 1929 dice: Han pasado más de 2 años desde que conocí por primera vez al Dr. T. H. Moray y el trabajo que está realizando, y en ese tiempo ha demostrado una capacidad inventiva de un orden excepcional. Quizás el más maravilloso de sus inventos es un dispositivo mediante el cual puede extraer energía eléctrica de una antena. Esta energía no se deriva por inducción de líneas eléctricas, como han sugerido algunos, ni se deriva de estaciones de radio, como se ha demostrado al llevar el aparato a más de 26 millas de la línea eléctrica más cercana y a más de cien millas de la línea eléctrica. estación de radio más cercana y mostrando que funciona tan bien como en cualquier otro lugar. Este dispositivo se sometió a una prueba de resistencia en la que se hizo funcionar de forma continua durante una semana, y al final de ese tiempo se encendió una lámpara de 100 vatios simultáneamente con el calentamiento de una plancha alisadora Hotpoint estándar de 575 vatios, haciendo un total de 675 vatios es muy evidente que ninguna batería podría soportar un consumo como este. También ha inventado un detector de sonido muy sensible mediante el cual es posible escuchar conversaciones en un volumen de voz ordinario a una distancia de varias cuadras.
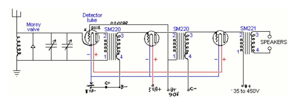
También ha elaborado numerosas conexiones de radio que eliminan muchas de las partes que ahora se consideran necesarias para una buena recepción, pero no hay disminución en la calidad o el volumen; de hecho, hay una notable eliminación de la interferencia de estática cuando se utilizan algunos de estos. Ha ideado un medio por el cual es capaz de medir con cierto grado de precisión la energía desarrollada durante la actividad mental; es decir, obtiene deflexiones variables y definidas de la aguja de un galvanómetro sensible que parecen estar relacionadas con el vigor de la actividad mental. Hay muchas otras cosas igualmente notables que ha hecho, como reducir el caucho viejo de los neumáticos de los camiones al estado de un fluido viscoso que se vulcaniza fácilmente sin la adición de una hoja de humo como es necesario con otros procesos; también un dispositivo terapéutico de alta frecuencia, y muchos otros dispositivos que muestran un gran ingenio. Las 6 lámparas se colocan en paralelo y se usa un cable de pequeño diámetro ya que la corriente ingresa al tubo antes y se conecta con el transformador reductor, esto lleva el voltaje muy alto al transformador. Este voltaje saltará a través de un espacio de chispas de al menos seis pulgadas.
La frecuencia de funcionamiento es tan alta que no tengo ningún instrumento en mi laboratorio que pueda medir el amperaje o el voltaje a esta frecuencia. (Firmado, Murray O. Hayes, PhD.). El Dr. Milton Marshall estaba intentando identificar el material que Moray llamó su «piedra sueca». Moray describió el detector de radio que había desarrollado. Lo comparó con lo que se conoce comúnmente como el cristal de un conjunto de cristales. Sin embargo, su detector era superior ya que podía manejar un altavoz sin el uso de batería. Usó el dispositivo más fácil de demostrar, el diodo de germanio, que funcionaba con el mismo principio para ilustrar cómo pensaba que funcionaba el detector de energía radiante (Moray originalmente construyó la radio simplemente con el propósito de mostrar cómo podía captar señales de radio con un dispositivo de estado sólido, que producía señales suficientemente fuertes que podían hacer funcionar un altavoz, lo cual era algo inaudito en ese día. Su circuito no tenía baterías, y era muy similar al antiguo circuito de cristal. El dispositivo estaba alojado en una caja de madera de algo así como 30 x 45 cm, con una antena y una toma de tierra. Los cables que salían de la caja conducían a un banco de unas cuarenta bombillas de 100 vatios y a una plancha eléctrica. Moray tocó un interruptor en la parte superior de la caja con una placa electrostática manual y los globos se iluminaron brillantemente.
Todos notamos que el las bombillas ardían en frío, excepto que cada una tenía un punto caliente del tamaño de una moneda de diez centavos en la parte superior ligeramente descentrada. También recuerdo que podía encender y apagar las luces acercándome y alejándome hacia y desde el dispositivo, ya sea con todo el cuerpo o con la mano. Si mi memoria está clara, la máquina tuvo que ser afinada con un dial para colocarla en esta condición. (Chester M. Todd, 1971) En 1938, después de examinar el transformador del dispositivo, el Sr. EG Jensen declaró que consideraba que la cantidad de corriente que había visto tomar del dispositivo era una prueba positiva de que la corriente desarrollada por o en el La máquina era diferente a cualquiera en uso en ese momento. Esto se debió a que el transformador se habría quemado si hubiera estado llevando corriente normal, pero el transformador no mostró signos de haber estado caliente. El Dr. Hayes le informó que el transformador había estado en uso bajo las mismas condiciones de carga durante muchas demostraciones en el pasado.
El condensador «Número 1» constaba de dos pequeñas láminas de aluminio de calibre 30 aproximadamente, separadas y en contacto con una pieza de placa de vidrio de un cuarto de pulgada de espesor. La placa de vidrio era más grande que las láminas de aluminio y las superponía. El condensador «Número 2» era una unidad comercial fabricada por Igred Condenser & Mfg. Co. y tenía una capacidad de 0,025 mfd. Fueron utilizados como se muestra aquí:

Con la lámpara de 60 vatios y los dos condensadores conectados a la antena y la antena y la tierra conectadas a la caja que contiene el equipo de energía radiante como se muestra en el dibujo, se encendió la lámpara de 100 vatios en el lado secundario o de salida. Desenroscar la lámpara de 60 vatios de su portalámparas hizo que el amplificador de 100 vatios se apagara, pero se encendió inmediatamente cuando la lámpara de 60 vatios se volvió a enroscar en su portalámparas. La lámpara de 60 vatios no se encendió. Cortar la antena y la tierra colocando un cable a través de ellos hizo que la lámpara de 100 vatios se apagara. Un cortocircuito similar con las manos también hizo que se apagara la lámpara de 100 vatios. No se podía sentir electricidad al hacer un cortocircuito con las manos. Si los cables de la antena o de tierra se desconectaran de la caja, la lámpara de 100 vatios se apagaría. Ninguno de los condensadores o la lámpara de 60 vatios en el lado primario de la caja eran necesarios, sino que simplemente se colocaron allí para mostrar que la potencia de alta frecuencia saltará o pasará a través de ellos.
La solicitud de patente de Moray sobre este dispositivo se presentó en 1931 y se rechazó por varios motivos. En primer lugar, «debido a que no se proporcionó ningún medio para hacer que el cátodo emitiera un número apreciable de electrones, la corriente producida en el cátodo por la antena no calentará el cátodo a una temperatura a la que se emita un número apreciable de electrones por segundo». En otras palabras, según Thomas E. Robinson, Comisionado de Patentes, un dispositivo de estado sólido, como un transistor, no puede funcionar. En segundo lugar, porque «El examinador no conoce ninguna fuente natural de energía de ondas eléctricas y se requiere una prueba de la existencia de dicha fuente». En otras palabras, no fue suficiente para Moray demostrar el efecto de la fuente de energía; también tenía que identificarlo, lo que no podía hacer. Ninguna de las solicitudes de patente originales que hizo Henry ya está disponible en la Oficina de Patentes de EE. UU. Aunque sus carpetas de archivos están ahí, los contenidos y las aplicaciones en sí mismos se han ido. En 1942, Moray intentó reconstruir un dispositivo de energía radiante, utilizando el resto de lo que se conocía como la «Piedra Sueca».
Este material, que era el corazón de su detector de RE original, nunca había logrado duplicarlo, y la escasez de este material limitaba la cantidad de energía que podía extraer. En consecuencia, en la unidad grande, desarrolló un segundo detector que lo obligó a realizar una investigación exhaustiva sobre materiales nucleares y reacciones radiactivas. Se involucró profundamente en el estudio de la radiactividad sintética como lo describe Gustave LeBon en su libro «La evolución de la materia». Los años pasaron y Moray pasó la mayor parte de su tiempo trabajando en lo que llamó el «contrapeso» para eliminar la necesidad de una antena aérea. Moray dijo: Está llegando a la tierra suficiente energía para iluminar más de 1,693,600 lámparas de 100 vatios para cada ser humano en la tierra hoy. No es necesario tomar combustible de ningún tipo, ya que esta energía puede ser captada directamente por transatlánticos, ferrocarriles, aviones, automóviles o cualquier medio de transporte. El calor, la luz y la energía pueden estar disponibles para su uso en todo tipo de edificios y para todo tipo de maquinaria. Un ejemplo sería bombear agua a las tierras desérticas, siendo la fuente de energía solo una fracción del peso de cualquier planta de vapor o cualquier tipo de motor en uso hoy en día y todo esto a una fracción del costo actual.
La energía total involucrada en las radiaciones «cósmicas» es muy grande. El mecanismo de su generación implica una relación básica con la estructura y acción totales del universo. Hoy en día se cree que la radiación cósmica se compone principalmente de protones y algunos núcleos más pesados. A veces, esta energía cósmica tiene un impacto de alrededor de 100 billones de voltios. Viniendo continuamente con ligeras variaciones en el tiempo, las radiaciones tienen una isotropía direccional uniforme. Por lo tanto, la tierra está rodeada de una atmósfera de radiación con rayos cósmicos que llegan continuamente a la tierra desde todas las direcciones, aunque puede haber una ligera desviación de los rayos más débiles por el campo magnético terrestre. Todo indica que nuestro sol no es la fuente de una cantidad apreciable de esta radiación. El origen, por tanto, es del universo en su conjunto.
La energía total de la radiación cósmica es más que la producción luminosa total de todas las estrellas y nebulosas del universo combinadas. Se entrega energía ilimitada a la puerta de todos. El descubrimiento de Moray Radiant Energy, que utiliza radiaciones del cosmos como fuente de energía, proporciona la mayor cantidad de energía por libra de equipo de cualquier sistema conocido por el hombre. La energía eléctrica a través de un motor eléctrico o un jet eléctrico excede con creces cualquier forma de energía en cualquier motor en la entrega de energía. No hay punto muerto de movimiento perdido en un motor eléctrico ni pérdida de empuje en un chorro eléctrico. Además, el par de arranque es mucho más alto en el motor eléctrico que en el motor de combustión. Aprovechar la energía cósmica es el método más práctico descubierto hasta ahora por el hombre. Además, es posible utilizar esta vasta fuente de energía del universo sin un motor primario en cualquier punto de la tierra: en el suelo, en el aire, en el agua, debajo del agua o incluso bajo tierra.
Si se considera que un generador eléctrico no es en el verdadero sentido un generador, ya que la electricidad no la produce el generador, sino que es simplemente una bomba eléctrica, el dispositivo Moray Radiant Energy puede entonces denominarse bomba de rayos cósmicos: es decir , un oscilador de electrones de alta velocidad que sirve como detector de radiaciones cósmicas que provoca una acción de bombeo o aumento dentro de sus circuitos. Para explicar la propagación del calor y la luz, dos de las formas de energía radiante, el hombre ha postulado la existencia de un medio que llena todo el espacio. Pero la transferencia de la energía del calor radiante y la luz no es la única evidencia a favor de la existencia de tal medio. Los fenómenos eléctricos, magnéticos y electromagnéticos y la propia gravitación apuntan en la misma dirección. Las atracciones y la repulsión tienen lugar entre cuerpos electrificados, imanes y circuitos que transportan corrientes eléctricas. De esta manera se pueden poner en movimiento grandes masas, adquiriendo energía cinética. Si se inicia una corriente eléctrica en cualquier circuito, las correspondientes corrientes inducidas surgen en todos los conductores muy próximos.
Para originar una corriente en cualquier conductor se requiere el gasto de energía. Entonces, ¿cómo se propaga la energía del circuito a los conductores? Si creemos en la continuidad de la propagación de la energía, es decir, creemos que cuando desaparece en un lugar y reaparece en otro debe haber pasado por el espacio intermedio y, por lo tanto, haber existido allí de alguna manera mientras tanto. se ven obligados a postular un vehículo para su transporte de un lugar a otro. Cuando se electrifica una partícula, lo primero que se debe observar es que se ha gastado una cierta cantidad de energía; se ha hecho el trabajo. El resultado es un estado electrificado de la partícula. El proceso de electrificar un conductor es, por lo tanto, el almacenamiento de energía de alguna manera dentro o alrededor del conductor en algún medio. El trabajo se gasta en alterar el estado del medio, y cuando la partícula se descarga, el medio vuelve a su estado original y el almacenamiento de energía se desconecta. Del mismo modo, se requiere un suministro de energía para mantener una corriente eléctrica, y los fenómenos que surgen de la corriente son manifestaciones de la presencia de esta energía en el medio alrededor del circuito.
Solía ser que se suponía que una partícula o cuerpo electrificado tenía algo llamado «electricidad» que residía sobre él y que causaba fenómenos eléctricos. Una corriente eléctrica se consideraba como un flujo de electricidad que viaja a lo largo de un cable (por ejemplo), y se suponía que la energía que aparecía en cualquier parte de un circuito (si se consideraba) había sido transportada a lo largo del cable por la corriente. Pero, la existencia de inducción e interacciones electromagnéticas entre cuerpos situados a distancia unos de otros lleva a considerar que el medio alrededor de los conductores juega un papel muy importante en el desarrollo de estos fenómenos eléctricos. De hecho, es el almacén de energía. Sobre esta base, Maxwell fundó su teoría de la electricidad y el magnetismo y determinó la distribución de la energía en las diversas partes de un campo eléctrico en términos de fuerzas eléctricas y magnéticas. El medio alrededor de un cuerpo electrificado está cargado de energía y no de un fluido eléctrico imaginario distribuido sobre el cuerpo o conductor electrificado.
Cuando hablamos de la carga de un conductor electrificado nos referimos a la carga de energía en el medio que lo rodea, y cuando hablamos del flujo eléctrico o corriente en el circuito nos referimos al único flujo que conocemos, a saber, el flujo de energía a través del campo eléctrico dentro del alambre. El trabajo de producir la electrificación de un conductor se gasta en el medio y se almacena allí, probablemente como energía de movimiento. Para denotar esto diremos que el medio alrededor del conductor está polarizado, este palabra que se emplea para denotar que su estado o algunas de sus propiedades se han alterado de alguna manera y hasta cierto punto dependiendo de la intensidad de la carga. Si la carga es negativa, la polarización es en el sentido opuesto, estando ambos relacionados, tal vez, como giros o rotaciones a diestros y zurdos. Consideremos ahora el caso de un cuerpo cargado de forma alternativa, positiva y negativa en rápida sucesión. La carga positiva significa una polarización positiva del medio, que comienza en el conductor y viaja a través del espacio. Cuando se descarga el cuerpo, el medio se libera una vez más y recupera su condición anterior.
La carga negativa ahora induce una modificación del medio o polarización en el sentido opuesto. El resultado de cargas alternas de signo opuesto es que el medio en cualquier punto se polariza alternativamente en direcciones opuestas, mientras que ondas de polarización opuesta se propagan a través del espacio, cada una de las cuales lleva energía derivada de la fuente o agente que suministra la electrificación. Aquí, entonces, tenemos una perturbación periódica de algún rey que ocurre en cada punto, acompañada de ondas de energía que viajan hacia afuera desde el conductor. El fenómeno de la interferencia lleva a la conclusión de que la luz es el resultado de perturbaciones o vibraciones periódicas del medio, pero en cuanto a la naturaleza de estas vibraciones, en cuanto a la naturaleza exacta de los cambios periódicos o qué es lo que los cambia, poseemos Sin conocimiento. Sabemos que las cargas eléctricas alternas van acompañadas de los correspondientes cambios de estado o vibraciones del medio, y si la carga se varía periódicamente y con suficiente rapidez, tenemos una vibración en cada punto análoga, quizás idéntica a la que ocurre en el propagación de la luz: una combinación de propiedades de ondas y partículas. Esta es entonces la teoría electromagnética de la vibración luminosa.
En la teoría más antigua del sólido elástico, se suponía que las vibraciones de la luz eran oscilaciones reales de los elementos o moléculas del medio sobre sus posiciones de reposo, como ocurre cuando las ondas de perturbación transversal se propagan a través de un sólido elástico. Tal limitación es injustificada hasta cierto punto, pero tampoco uno puede permitirse ignorar por completo la teoría de las partículas de la luz. Una combinación de teorías tiene mérito. Sabemos que el cambio, perturbación, vibración, polarización, o como queramos llamarlo, es periódico y transversal a la dirección de propagación. La teoría electromagnética no nos enseña nada más sobre su naturaleza, sino más bien afirma que cualquiera que sea la carga, es de la misma clase que la que ocurre en el medio cuando la carga de un cuerpo electrificado se altera o se invierte. Reduce las ondas de luz y calor a la misma categoría que las ondas de polarización eléctrica. La única cualidad de la última requerida para constituir la primera es suficiente rapidez de alteración. Estas especulaciones recibieron la confirmación más contundente de los experimentos del profesor Hertz hace muchos años. Cuando una sustancia resiliente se somete a tensión y luego se libera, puede suceder una de dos cosas. La sustancia puede recuperarse lentamente de la tensión y alcanzar gradualmente su estado natural, o el retroceso elástico puede llevarla más allá de su posición de equilibrio y hacer que ejecute una serie de oscilaciones.
Algo similar también puede ocurrir cuando se descarga un condensador electrificado. En lenguaje corriente, puede haber un flujo continuo de electricidad en una dirección hasta que se completa la descarga, o puede ocurrir una descarga oscilante. Es decir, el primer flujo puede ser seguido por un retroceso, como si la primera descarga se hubiera desbordado y se hubiera producido algo parecido a un retroceso. El capacitor se vuelve más o menos cargado nuevamente en el sentido opuesto, y se produce una segunda descarga, acompañada por un segundo retroceso, la oscilación continúa hasta que toda la energía se irradia por completo o se agota para calentar los conductores o realizar otro trabajo. Cuando los condensadores se llenan con energía capturada por el dispositivo Moray Radiant Energy y luego se descargan a través de un circuito de impedancia, reactancia e inductancia adecuadas, sincronizando así la oscilación del dispositivo con las del universo, se establece la inercia eléctrica. En la inversión de la corriente, los capacitores se cargan, descargan y recargan lentamente hasta que la energía almacenada en ellos se irradia en energía cinética a través del dispositivo, y esta energía puede mantenerse viva indefinidamente estableciendo resonancia con las oscilaciones del universo.
Considerando las oscilaciones desde un punto de vista mecánico, eléctrico y matemático, encontramos que la resistencia eléctrica es la misma que la fricción mecánica y la corriente es comparable a la velocidad mecánica. Entonces, la inercia y la inductancia pueden considerarse términos análogos. En mecánica, cuanto mayor es la inercia de un cuerpo, más tiempo permanece en movimiento. En el circuito de resistencia-inductancia-capacidad (REC o RLC) del dispositivo de energía radiante, cuanto mayor es la inductancia eléctrica, más tiempo continúa fluyendo la corriente una vez que se establece por sincronización con las sobretensiones cósmicas. Expresadas matemáticamente, las ecuaciones son las mismas para los fenómenos eléctricos o mecánicos. Lo que significa que R <v (4L / C), donde R es la resistencia en ohmios, L es la inductancia en henries y C es la capacitancia en faradios. Cuando esto sea cierto, se producirá una descarga oscilatoria y se impondrá una inercia de inductancia muy potente. Para valores bajos de R, la frecuencia de las oscilaciones se puede mostrar mediante f = 1/2 pi v (CL). La rapidez de las oscilaciones se rige por la capacitancia y la inductancia.
En las fuerzas vibratorias del universo, encontramos la clave de la fuente de toda la energía. La cuestión es cómo podemos utilizar esta energía para la industria moderna sin estar limitados a motores primarios mecánicos. Y la respuesta puede ser un generador de energía, equilibrado para oscilar en sincronización con las oscilaciones del universo. El Dr. Ross Gunn, un científico civil de la Marina de los EE. UU., Afirmó hace años que la tierra es un generador enorme, que genera más de 200 millones de amperios de corriente eléctrica de forma continua. Por ejemplo, se considera que la aurora boreal es un fenómeno eléctrico definido muy grande producido por el paso de cargas eléctricas a través de los gases enrarecidos de la atmósfera superior. Desde entonces, el Dr. Gunn y otros han demostrado que la tierra tiene una carga negativa que asciende a 400.000 culombios. Sin embargo, a dos metros sobre el suelo, el aire está cargado con más de 200 voltios con respecto al suelo. Se sabe que el aire conduce la electricidad lejos de los objetos cargados. Siendo esto cierto, ¿cómo mantiene la tierra su carga dado que es un objeto cargado expuesto a la atmósfera circundante? Si el aire conduce electricidad, la carga de la tierra debe pasar constantemente a la atmósfera. Y se ha calculado que la tierra tiene una descarga continua a la atmósfera de 1.800 amperios.
A este ritmo, la tierra debería perder el 90% de su carga en el aire en una hora, pero la carga de la tierra no disminuye. ¿De dónde proviene la energía de la tierra? Se acepta la conversión de materia en energía en las estrellas y, basándose en lo que ocurre en la desintegración radiactiva durante la cual se irradian ondas de energía, se puede concluir que las ondas de energía de muy alta frecuencia se envían desde las estrellas (una de las cuales es nuestra sol). Ahora, por supuesto, la conversión de energía en materia debe aceptarse igualmente. Se ha encontrado que la ionización, que podría ser el medio para el flujo de energía, aumenta al aumentar la altitud, en lugar de disminuir como se esperaría. Dado que la fuente de energía es el universo, la generación de energía por acción rotatoria y por todos los motores primarios es un efecto y no una causa. La acción de la energía oscilatoria, ya sea en un frasco de Leyden, otro condensador artificial o en lo que podemos llamar condensadores naturales, siempre se comporta de la misma manera. Las oscilaciones continuarán hasta que hayan alcanzado su ciclo de altura y luego habrá un retroceso regresando al lugar donde se originaron las oscilaciones.
Cada oscilación, ya sea grande o pequeña, se completa durante el mismo intervalo de tiempo. Todas estas oscilaciones prueban el mismo gran hecho, que están gobernadas por el mismo ciclo de tiempo, completado durante el mismo intervalo de tiempo. Las ondas de energía tienen una nota de ritmo regular, yendo y viniendo como las olas del mar, pero en un orden matemático muy definido, llegando a la tierra desde todas las direcciones con un ritmo definido. La energía tiene una rigidez y densidad definidas elásticas o resilientes, que está sujeta a desplazamiento y tensión. Cuando se elimina la tensión, el medio volverá a su posición anterior y más allá, subiendo hacia adelante y hacia atrás, y continuará oscilando hasta que se agote la presión original. Si la impedancia interna es demasiado grande, no habrá oscilaciones, pero simplemente se deslizará hacia atrás en un latido muerto a su estado desenfrenado. Al reducir la resistencia al mínimo y sincronizar las acciones iónicas elásticas del dispositivo Moray con las acciones de las olas del universo, se pueden hacer que los períodos de oscilación sean cada vez más rápidos hasta que la inercia se imponga, alargando así el tiempo de recuperación final. Esto se hace llevando el retroceso más allá de las oscilaciones naturales y prolongando las vibraciones capturando la acción oscilatoria. Cuando la recuperación se vuelve claramente oscilatoria, se inicia un patrón armónico y las oscilaciones continúan, estableciéndose así la resonancia con el universo. En el universo vemos que se obedecen las mismas leyes que en nuestros laboratorios.
A medida que uno rastrea los constituyentes casi infinitesimales del átomo, se encuentra que la materia no existe en absoluto como la sustancia realista que hemos supuesto que es. Allí, en la base misma, consiste en nada más que cargas de energía emitidas en varias longitudes de onda o frecuencias. Cada vez es más cierto que la aparente complejidad de la naturaleza se debe a nuestra falta de conocimiento. Y, a medida que se desarrolla la imagen, promete una maravillosa sencillez. Una de las relaciones más maravillosas que jamás se haya revelado en toda la ciencia de la física es la que existe entre la luz y la electricidad y la existencia de la electrónica en los átomos de materia. Sabiendo lo que hacemos en la actualidad con respecto a la estructura de los átomos, esta relación no es tan sorprendente. Sin embargo, considerando la ausencia total de este conocimiento hace aproximadamente medio siglo, el descubrimiento de que la luz, y la radiación en general, son fenómenos vibratorios fue revolucionario. Hablando de radiación, «Radiante» aquí significa proceder desde un centro en líneas rectas en todas direcciones.
La energía es interna e inherente. «Energía» se define como una condición de la materia, en virtud de la cual, cualquier porción puede afectar cambios en cualquier otra porción definida. Esto fue escrito en 1892 y los descubrimientos posteriores lo confirman. Entonces, la energía es un estado de la materia, o más bien, el resultado de un estado o condición particular en el que puede estar la materia cuando aparece cualquier fase observada de la energía. Además de poseer energía cinética, el átomo es capaz de absorber energía internamente. Esta energía interna está asociada a la configuración de las partículas que componen el átomo. En condiciones ordinarias, un átomo se encuentra en lo que se conoce como un estado de equilibrio, en el que no hay emisión ni absorción de energía. Pero, la energía interna del átomo se puede alterar. Cuando la energía interna del átomo excede la de su estado normal, se dice que está excitado. Las excitaciones pueden ser causadas de varias formas, por ejemplo, la colisión de un átomo con partículas positivas o negativas que se mueven rápidamente o la ruptura de líneas de fuerza en un generador electromagnético.
La energía cinética se libera cuando la excitación hace que una partícula ceda parte o la totalidad de su energía cinética al átomo durante las colisiones. Esto está sucediendo en el universo todo el tiempo. El motor eléctrico y el generador nunca se habrían descubierto si no se hubiera descubierto un dieléctrico (aislante). Si uno descubre una válvula dieléctrica para la energía del universo, ¡tiene la respuesta para aprovechar la energía del universo! Un caso límite de excitación es la ionización, en la que el átomo absorbe la energía lo suficiente como para permitir que un electrón débilmente unido abandone el átomo, contra las fuerzas electrostáticas que tienden a retenerlo dentro del átomo. Se dice que un átomo que ha cedido uno o más electrones está ionizado. Es posible que la ionización, es decir, la excitación, pueda tener lugar en pasos sucesivos mediante la absorción de energía cuántica. El regreso de un átomo ionizado a un estado de menor energía está asociado con la radiación electromagnética. Además, a partir del proceso de ionización, la energía eléctrica puede asociarse con las fuerzas vibratorias del universo que ingresan a la tierra como radiación cósmica.
Cuanto mayor sea la frecuencia, mayor será la ionización o excitación, una forma de energía que es de naturaleza cinética. Hay tremendas energías que llegan a la tierra desde el espacio exterior. Estas energías son solo diferentes manifestaciones de las energías que vemos en funcionamiento a nuestro alrededor. En la mayoría de los casos ni siquiera somos conscientes de su existencia. Penetran todo, incluido nuestro propio cuerpo. Cada uno de nosotros está vivo en virtud de estas energías. Cada parte y partícula del universo está viva con ellos. Los generadores que ahora suministran nuestra energía eléctrica no crean ni originan energía o electricidad; simplemente dirigen, bombean, la energía o electricidad existente. Como en las notas musicales de «C» alta y baja, las tasas de vibración (frecuencias) son diferentes, pero todas las notas «C» son esencialmente iguales (armónicamente relacionadas). Ésta es la base sobre la que se basa gran parte de mi investigación de los fenómenos vibratorios. Se ha acordado que todas las formas de materia vibran a un ritmo o frecuencia particular. Y lo mismo ocurre con las diversas formas de energía: calor y luz, magnetismo y electricidad. Éstas no son más que formas de movimiento vibratorio conectadas y generadas por la misma fuente, el universo. La materia vibra a un ritmo particular, de acuerdo con su carácter, y puede transmitirse a otra sustancia disminuyendo o aumentando su frecuencia.
Si la frecuencia se eleva lo suficiente, las moléculas se separarán y los átomos se liberarán. Elevando aún más la frecuencia, los átomos se resuelven en sus componentes originales. La materia se convierte entonces en una forma de energía. Se pueden desarrollar frecuencias que equilibrarán la fuerza de la gravedad hasta un punto de neutralización. Entonces se puede ir más allá de la fuerza de la gravitación. Comprender los principios de la vibración es realmente comprender la energía. En los rayos gamma, encontramos potenciales que son equivalentes a hasta 1.000.000 de voltios, sin embargo, sus longitudes de onda no son las más cortas conocidas. En octavas aún más altas hay rayos que se conocen como «rayos cósmicos». ¿Quién puede trazar una línea definida y decir cuántas octavas más altas existen que las conocidas como rayos cósmicos? Nuestro punto de partida del descubrimiento de estas diferentes ondas fue la conductividad eléctrica del aire, y se ha encontrado que esta conductividad es tan fuerte de noche como de día. Las radiaciones emitidas por el sol difícilmente pueden ser la única causa de esta energía.
Todo el espacio está saturado de vibraciones, energías, que sin duda son de carácter eléctrico. La relación del mate con la energía y la energía con la materia se convierte entonces en el potencial del universo: una serie continua de oscilaciones. Los átomos mantienen un equilibrio por oscilaciones, rotaciones, atracciones y repulsiones, pero esto no interfiere con una transformación del equilibrio, que, cuando las transformaciones del equilibrio son lo suficientemente rápidas, se convierten en energía, es decir, la materia se convierte en energía y la energía en materia. No puede haber generación de corriente eléctrica ni energía cinética si no hay alteración del equilibrio, es decir, cambio de potencial o cambio de niveles de energía. Cuando uno piensa en las moléculas de oxígeno y nitrógeno del aire que nos rodean moviéndose con la velocidad de las balas y golpeándonos y todo lo demás a esta velocidad, uno puede hacerse una idea de la agitación que tiene lugar aquí y en el universo.
Las oscilaciones del espacio exterior están emitiendo ondas electromagnéticas de muchas longitudes de onda y frecuencias. El dispositivo Moray está construido de tal manera que la frecuencia es mucho más baja en el lado secundario que en el lado primario, y se establece una resonancia casi completa. Estoy convencido de que las energías del universo son radiaciones activas producidas por la evolución de la materia en energía y la energía en materia. La cámara de niebla del Dr. Anderson en el Instituto de Tecnología de California, en la que se descubrió el positrón, ha proporcionado mucha información sobre las energías de los rayos cósmicos. Descubrió que algunos positrones nacen de rayos cósmicos que chocan contra la materia. Las energías de los rayos cósmicos deducidas de las huellas dejadas en la cámara de niebla de Anderson oscilan entre 100 voltios y 3.000.000.000 de voltios. La teoría de Lemaitre-Vallarts, junto con las medidas de asimetría del Dr. Johnson, dan valores definidos para la energía de la mitad de la radiación cósmica y muestra que se distribuye continuamente entre 5 mil millones y 50 mil millones de voltios.
La cifra de 100 mil millones de voltios es el resultado de la medición del Dr. W. Kolhorster de la radiación penetrante en las profundidades de las minas de sal de Strassfurt. Encontró que la energía mínima de estos rayos tenía una penetración mayor que nunca antes demostrada. El Dr. Axel Corlin, del Observatorio Lund de Suecia, encontró radiación que aún tenía energía después de atravesar profundidades algo mayores y, por lo tanto, las cifras de voltaje se pueden hacer aún más altas. Las energías de 100 mil millones de voltios o más están indicadas por las grandes explosiones provocadas por las colisiones de rayos cósmicos, llamadas stosse, que se han observado particularmente en Alemania. Los dispositivos Moray RE han funcionado igualmente bien en minas profundas, bajo el agua o en lo alto de las montañas y en un avión. Han pasado aproximadamente 100 años desde que la ciencia comenzó a considerar la luz, el calor, el magnetismo, el galvanismo y la electricidad como fuerzas naturales. En la primera parte del siglo XIX, los libros escolares denominaban a estas cosas «sustancias imponderables». Se enseñó la teoría de los corpúsculos de la luz, se suponía que el sol proporcionaba un suministro interminable de esos corpúsculos. Después de que la teoría del corpúsculo se desvaneció, los científicos recurrieron a la teoría de las ondas, pero incluso eso se basó en un concepto burdo del movimiento de los principios fundamentales o átomos de la materia.
La teoría de los electrones ha reemplazado a las anteriores ahora, y mientras que la teoría de los electrones explica los «hechos» observados y teóricos mejor que los conceptos anteriores, ¿podría ser que, a medida que la mayor luz del conocimiento nos conduce, la teoría de los electrones a su vez? ¿No llegará a proporcionar un conocimiento «absoluto»? La teoría de Einstein puede necesitar revisión o enmienda; o, con el tiempo, puede unirse a las teorías de los corpúsculos y las ondas en el estante trasero. Un caso concreto, en el que el campo eléctrico realiza la doble función de excitación molecular y creación de iones intermoleculares y atómicos, lo está dando el sistema utilizado por el inventor. Es un sistema que utiliza los principios de la corona de alambre con un cilindro concéntrico a diferentes presiones. El sistema se modifica de acuerdo con el concepto de que las reacciones químicas deben tener lugar cuando los iones moleculares con carga opuesta de un catalizador activado apropiado se aceleran entre sí en la corona de alambre. Consiste en un cilindro hecho de un catalizador adecuado del que se emiten iones positivos. Los reactivos (gases) que fluyen a través de la cámara en paralelo a la longitud del cable alcanzan la polaridad de los iones moleculares negativos por el alto campo eléctrico cerca del cable.
A medida que estos iones moleculares negativos se aceleran en ángulo recto con el alambre en la dirección del campo eléctrico hacia el cilindro del catalizador cargado positivamente, se encuentran con una avalancha de iones atómicos que brotan del catalizador. Una cierta cantidad de reacción tiene lugar en ese instante, 10-8 segundos. Sin embargo, algunos de los iones moleculares negativos fuera de la trayectoria libre media de los iones atómicos positivos pueden precipitarse libremente hacia el campo cilíndrico positivo donde son neutralizados, y se les da instantáneamente una carga positiva por la avalancha de iones positivos que los superan. Estos iones moleculares positivos se aceleran de regreso al campo y chocan contra los iones moleculares negativos que vienen de la dirección de la corona del electrodo negativo. Este cuerpo a cuerpo continúa hasta que la reacción ha llegado a un punto en el que los participantes individuales se han ido o la mezcla está fuera del campo eléctrico: oscilaciones de retroceso. El aparato Moray combinado con otros equipos, consiste en una combinación de tubos especialmente construidos a los que nos referiremos como válvulas, «transmisores de presión», interceptores y osciladores. Las válvulas no son rectificadores en el sentido de que operan como válvulas de radio al cambiar las oscilaciones de corriente alterna o alta frecuencia en corriente continua.
Tienen una acción de válvula real al detener el «flujo» de energía que puede considerarse como una acción oscilatoria similar a las olas del mar, sin rectificación, para que no regrese al circuito exterior, de la misma manera que un muro de contención podría detener las olas del mar. el mar de regresar. Las otras modalidades y «tubos» del dispositivo son igualmente únicos en su desempeño. Aunque no se avanza ni se afirma que se hayan descubierto nuevas leyes de la energía, la aplicación en el método de utilización de la energía en todo el espacio es única en el sentido de que la «generación» se logra mediante la utilización oscilatoria en lugar del motor primario convencional. Estos tubos detectores tienen un tirón sincronizado con los osciladores especialmente desarrollados de alta capacidad farádica y proporcionan un medio a través del cual la energía oscilante puede pasar a osciladores de válvula especialmente construidos cuya relación con la válvula de la primera etapa es tal que permite que las oscilaciones provengan de pero no volver al circuito exterior con una relación variable automática a la oscilaciones del universo, y capaces de establecer dentro de sus circuitos oscilaciones iniciales que coinciden con las oscilaciones del universo.
Se proporciona una disposición especial para evitar que los tubos RE se bloqueen en su disipación de las cargas creadas por las oscilaciones que se acumulan continuamente en base al efecto de retroceso de la capacidad oscilatoria común a los condensadores y que se aplican aquí en los tubos de vacío. Esta acción de estos dispositivos tiene el efecto de aumentar y prolongar el tiempo de carga y descarga de los condensadores y la capacidad de energía en el circuito a un intervalo apreciable en perfecta armonía con la onda de energía natural a través de las válvulas y osciladores del interceptor en el circuito que establece en el circuito pulsaciones eléctricas correspondientes a las ondas de energía capturadas por el interceptor y de nuevo se evita que regresen al segundo circuito exterior mediante válvulas de «paredes múltiples». Los tubos finales actúan como transmisores de presión de energía con un medio para evitar la condensación «derivada» mediante una forma especial de «captador». Esto detiene la acumulación de condensación en la base de los tubos que bloquearía su acción iónica. Uno debe «dividir» la banda de descarga de energía en líneas de variación (llame a esto como quiera), líneas de energía o líneas de luz más allá de los «rayos de luz». Las oscilaciones, por lo tanto, no se convierten en simples oscilaciones, sino que a través de la acción del universo establecen un flujo de energía que podría denominarse la afirmación de la inercia.
Cuando se establece la inercia, la acción continuará debido a las oscilaciones del cosmos; de lo contrario, uno tendría una disipación completa de energía y sin oscilaciones. La oscilación vibrará durante el mismo período de tiempo independientemente del potencial, pero la tasa de vibración del dispositivo depende de la «capacidad» de sus modalidades, es decir, condensadores, etc. En conjunto en resonancia de energía pura, ciertos aparatos de respuesta de energía que se sincronizan con la resonancia de ciertas vibraciones en el universo, y ¿qué tienes? Energía utilizable del universo. Esta energía puede llegar a los planetas como oscilaciones similares a las oscilaciones y mareas del mar. Los tubos de energía radiante reciben esta energía en oleadas que pueden durar solo unos pocos microsegundos por la presión y la corriente en esas oleadas son tan fuertes que se entrega suficiente energía al equipo en resonancia para ser utilizable en múltiples flashes y en una magnitud que compite con la luz del día. Recuerde que la resonancia y la presión pueden hacer mucho para amplificar la energía. También recuerde que las vibraciones que salen de las fuentes en el universo también deben regresar a sus fuentes. No se pierde nada. Solo hay una disminución del potencial como el agua que fluye sobre una rueda hidráulica. Los tubos de energía radiante no presentan nuevas leyes de la física. Simplemente amplían la aplicación de leyes conocidas, obteniendo así resultados que al principio no se creían posibles. Esta es la historia de la ciencia. Los tubos de energía radiante poseen una mayor capacidad para obtener «saturación» y, por lo tanto, cargar los condensadores que los acompañan a un ritmo más constante.
Cuando se alcanza un cierto voltaje, se produce una ionización en los gases del tubo descargado y hace que los condensadores del circuito de la válvula se descarguen en otros condensadores del circuito de la válvula, que se descarguen en otros condensadores de los osciladores y las otras modalidades del circuito. Cuando la ionización en los tubos anteriores ya no es posible debido a la tensión reducida, el proceso comienza de nuevo. La primera válvula pasa vibraciones de energía a un circuito oscilatorio; se establece la ionización, se produce una descarga y la energía pasa a través de otra válvula a otros osciladores. El proceso se repite desde la primera etapa a la segunda etapa, a la tercera y así sucesivamente, como una brigada de baldes. Por eso pregunté hace años: «¿No se puede obtener un flujo constante de agua de las olas del mar o energía de las vibraciones del cosmos?» Cuando una vibración de cualquier tipo golpea un límite entre dos medios de diferentes impedancias vibratorias en un ángulo de menos de 90 grados, una transformación de la frecuencia vibratoria puede cambiarse a otra frecuencia vibratoria.
Por lo tanto, el dispositivo de energía radiante continuará capturando energía por resonancia, o llámelo como quieran, siempre que la vibración «mantener viva» del cosmos continúe oscilando las diversas etapas de las válvulas y osciladores en el circuito. Simple, ¿no es así? Solo un caso de atrapamiento de energía que está presente en todas partes en el circuito primario y hace que oscile a través de los circuitos secundarios a través de un circuito bloqueado sin retorno. Nuestros experimentos han demostrado que existe una energía en el universo que, mediante el desarrollo adecuado de los equipos, puede estar disponible para uso comercial. Se ha construido un transformador o convertidor de energía de este tipo. Ha sido operado, a plena carga de manera continua sin gasto de combustibles de ningún tipo, sin un motor primario mecánico, mantenido vivo por las oscilaciones de las energías del cosmos; un convertidor de energía, o transformador, que sería capaz de convertir la energía de alta frecuencia y alto nivel de la radiación cósmica en corriente de frecuencia y voltaje utilizables. Básicamente, la teoría de funcionamiento es la siguiente:
Las oscilaciones se inician en la primera etapa o circuito del dispositivo excitándolo con una fuente de energía externa. El circuito se «sintoniza» hasta que las oscilaciones son sostenidas por el acoplamiento armónico a las frecuencias de las ondas cósmicas. La acción de refuerzo del acoplamiento armónico aumenta la amplitud de las oscilaciones hasta que los pulsos de pico «se derraman» en la siguiente etapa a través de un detector o válvula especial que evita el retorno o la retroalimentación de energía de los circuitos posteriores. Estos «pulsos» impulsan esta etapa, que oscila a una frecuencia más baja y es nuevamente reforzada por el acoplamiento armónico con las ondas cósmicas siempre presentes. La segunda etapa acciona una tercera etapa, y las etapas adicionales se acoplan hasta que se obtiene un nivel de potencia adecuado a una frecuencia y voltaje utilizables mediante transformadores especiales.

La información específica sobre el sistema de Moray es muy limitada, especialmente desde que se eliminó su solicitud de patente. El diagrama anterior y el diagrama siguiente se han reproducido de lo que supuestamente son las notas a partir de las cuales se compuso la solicitud de patente. Estas notas no son muy claras tanto en redacción como en calidad de reproducción; sin embargo, los diagramas que se muestran aquí son un intento de mostrar claramente cualquier cosa que sea razonablemente cierta en esos diagramas.

Se supone que esta es la información de construcción de la válvula Moray que se podía configurar para rectificar una señal o amplificar una señal. La carcasa es una copa de metal que también forma uno de los contactos de la válvula. dentro de la taza hay cuatro gránulos adheridos a un lado. Los dos gránulos exteriores están hechos de bismuto y se fusionan directamente sobre la caja de metal. Los dos gránulos internos están unidos a la caja con estaño en lugar de soldadura. A juzgar por el dibujo, parece que el brazo de metal que entra en contacto con los gránulos solo puede conectarse con los dos gránulos internos. El brazo presiona fuertemente contra los perdigones de la misma manera que los diodos de «bigotes de gato» de la época se tocaban con un alambre de plata para hacer un punto de contacto y producir una rectificación. Si es correcto que el brazo giratorio solo contacta con uno de los dos gránulos internos, entonces el motivo de esos gránulos de bismuto externos debe ser una parte indirecta de la válvula. Entonces, esta sección de la caja es una disposición del metal de la caja, estaño, bismuto y cinco uniones entre diferentes materiales, sin contar el brazo de contacto. Uno de los dos gránulos internos está hecho de germanio purificado con la adición de cantidades muy pequeñas de un material de dopaje. Se han utilizado sulfuro de hierro (FeS), sulfuro de molibdeno (MoS), bismuto, uranio y plata mencionados como posibles agentes dopantes.
Otro material mencionado es el plomo, cuya estructura ha sido alterada por el proceso descrito en la patente de EE.UU. 2.460.707 de Moray. Se dice que los gránulos se producen a alta presión. De esto se puede ver que no tenemos nada ni remotamente como la información completa en el sistema de Moray. Sin embargo, hay una serie de cosas importantes que podemos aprender de esto. En primer lugar, utilizando solo una buena conexión a tierra y una antena de solo noventa pies (30 m) de longitud suspendida a solo unos ocho pies del suelo, es posible extraer una corriente significativa del entorno. La fotografía muestra 35 bombillas encendidas por Moray y eso es una cantidad sustancial de energía. Es poco probable que podamos reproducir el método exacto de extracción de energía de Moray, pero es muy poco probable que este método sea la única forma posible de lograr una extracción de energía eficiente. Entonces, si experimentamos con los componentes y materiales que tenemos a mano hoy, es claramente posible que podamos extraer grandes cantidades de energía de un cable aéreo relativamente pequeño colocado a una altura bastante conveniente sobre el suelo, y una tierra de buena calidad. El libro de Moray «El mar de la energía en el que flota la tierra» se puede descargar como un libro electrónico gratuito de 64 páginas en http://www.free-energy-devices.com/P26.pdf Hermann Plauston ’Systems. Hermann Plauston recibió la patente estadounidense 1.540.998 en junio de 1925. La patente tiene un estilo similar al del sistema de recogida de Tesla e ilustra el principio con un sistema muy parecido al dispositivo «Testatica» de Paul Baumann escondido en una comuna religiosa suiza.
La patente es muy detallada con 37 dibujos que muestran diferentes disposiciones y se muestra en su totalidad en el Apéndice. De hecho, la patente parece más un tutorial que una patente. Un sistema de este tipo definitivamente debería tomarse en serio: Hermann considera que uno de sus sistemas con una potencia de 100 kilovatios es un sistema «pequeño». Ilustra varios métodos diferentes de captura de energía y varios métodos para aumentar la efectividad de la energía capturada. Si bien una instalación para capturar un suministro continuo de más de 100 kilovatios no es realista para un individuo, existe la posibilidad clara de hacer una versión reducida que sea capaz de proporcionar niveles importantes de energía gratuita. Definitivamente se recomienda leer detenidamente su patente.

Herman comienza ilustrando cómo se puede tomar la electricidad de trabajo de una máquina Wimshurst. El voltaje de salida de Wimshurst es muy alto y la capacidad de corriente es muy baja y la mayoría de la gente lo descartaría por ser totalmente inadecuado para cualquier tipo de trabajo práctico. Sin embargo, Hermann aumenta el nivel de potencia al alimentar la salida a un transformador reductor que reduce el voltaje de salida a un nivel conveniente y aumenta la corriente disponible en proporción a la reducción del voltaje. Esta es la misma técnica patentada por Nikola Tesla. El aparato que ilustra Herman se muestra aquí:

Su patente dice: “Seleccionando adecuadamente la relación entre el número de espiras en los devanados primario y secundario, con respecto a una correcta aplicación de los coeficientes de resonancia (capacitancia, inductancia y resistencia), el alto voltaje del circuito primario puede ser adecuadamente convertido en una salida de alta corriente de bajo voltaje. Debe recordarse que una chispa produce un pulso de voltaje muy brusco y que desequilibra el campo de energía cuántica local, como se describió anteriormente, produciendo flujos de energía muy grandes a medida que el entorno local regresa a su estado estable equilibrado. La chispa, que se produce con una potencia relativamente baja, se utiliza como disparador para flujos de energía mucho más grandes, que alimentan el transformador reductor, produciendo una corriente importante a un voltaje razonable, capaz de realizar un trabajo útil, sin el requisito de ninguna potencia de entrada. del usuario. Notarás lo simple que es este circuito. Tres capacitores “a1”, “b1” y “c1” en una cadena, forman un solo capacitor de alto voltaje. Las gotas que se muestran conectadas a través de estos condensadores son descargadores de chispas de emergencia colocados allí para hacer frente a eventos inusuales, como la antena que es alcanzada por un rayo. Este circuito es muy parecido al circuito de máquina de Wimshurst que Hermann utiliza como ilustración del principio de funcionamiento de este tipo de circuitos.
En este circuito, muestra un motor especial marcado con “M” que es impulsado por el circuito y también muestra terminales de salida que pueden tener otros equipos conectados a través de ellos. Cuando las descargas oscilatorias en el circuito primario se debilitan o cesan por completo, la electricidad estática vuelve a cargar los condensadores hasta que la carga acumulada vuelve a romperse a través del espacio de chispas. Todo esto se repite siempre que la máquina estática produzca electricidad mediante la aplicación de energía mecánica. Herman afirma que sin la disposición del espacio de chispas entre los tres condensadores conectados entre la antena y la tierra, «es imposible recolectar y hacer disponible grandes cantidades de energía eléctrica». Además del uso de descargadores de chispas en paralelo, también es necesaria una segunda medida de seguridad para tomar la corriente de este circuito. Esta es la introducción de electroimanes de protección o bobinas de estrangulamiento en el circuito de antena como se muestra con S en el diagrama siguiente. Un solo «electroimán» que tiene un núcleo de las laminaciones separadas más delgadas posibles está conectado con la antena. En el caso de altos voltajes en la red aérea o en lugares donde hay tormentas eléctricas frecuentes, varias de estas bobinas de bobinado toroidal pueden conectarse en serie.

En el caso de unidades grandes, se pueden emplear varios de estos imanes en paralelo o en serie en paralelo. Los devanados de estos electroimanes pueden conectarse simplemente en serie con las antenas. En este caso, los devanados deben estar formados por varios alambres paralelos delgados, que juntos forman el área de sección transversal necesaria del alambre. El devanado puede estar formado por devanados primarios y secundarios en forma de transformador. A continuación, el devanado primario se conectará en serie con la red aérea, y el devanado secundario se cortocircuitará más o menos a través de una resistencia reguladora o una bobina de inducción. En este último caso es posible regular, en cierta medida, el efecto de estas bobinas de estrangulamiento.

La figura 5 muestra una disposición para producir grandes corrientes que se pueden utilizar directamente, sin motores, para proporcionar calefacción e iluminación. La principal diferencia aquí es que la vía de chispa consiste en un disco 7 en forma de estrella que puede girar sobre su propio eje y es girado por un motor opuesto a electrodos 7a ajustados de manera similar. Cuando los puntos separados de las estrellas se enfrentan entre sí, se producen descargas, formando así un circuito de oscilación con los condensadores 5 y 6 y el inductor 9. También se puede conectar un motor directamente a los extremos del inductor 9. La patente continúa mostrando muchas formas de aumentar la potencia del sistema aéreo y muchas formas de aplicar la salida a dispositivos eléctricos prácticos. Contiene 37 diagramas, una gran cantidad de información práctica y una copia en el Apéndice. Dispositivo de Roy Meyers. Roy Meyers recibió la patente del Reino Unido 1913,01098 en enero de 1914. La patente, que se incluye en el Apéndice, muestra un dispositivo extremadamente simple que produce una salida eléctrica sin ningún tipo de entrada visible. Este intrigante dispositivo fue descubierto al probar una forma muy simple, donde dos imanes de herradura estaban interconectados con alambre de hierro blando y dos barras de zinc colocadas entre las patas de los imanes. Roy descubrió que obtenía una salida de 8 voltios usando solo dos imanes de 4 pulgadas con patas cuadradas de 1 pulgada y barras de zinc de tamaño similar. La orientación física del dispositivo es muy importante. La patente dice que la corriente se recolecta si los extremos abiertos de los imanes apuntan en dirección Norte-Sur y no si están colocados en la dirección Este-Oeste. Sin embargo, los intentos de replicación parecen indicar lo contrario de esto con la captación de energía que ocurre cuando la alineación es Este-Oeste. Hay indicios de que no es un dispositivo fácil de poner en funcionamiento correctamente. La primera disposición se muestra en el siguiente diagrama:

Roy desarrolló aún más su sistema y descubrió que, si bien funciona en interiores, funciona mejor si se ubica al aire libre y se eleva a una altura de cincuenta o sesenta pies. Sin embargo, eso no es de ninguna manera esencial, y la potencia y el voltaje de salida pueden aumentarse aumentando el número de unidades colectoras. Roy los desarrolló para producir el estilo que se muestra aquí:

El zinc actúa de manera más eficaz si se instala como láminas dobladas en forma de V. Los imanes y las láminas de zinc se pueden apilar vertical y / u horizontalmente y cuanto mayor sea el número utilizado, mayor será la salida eléctrica. Se recomienda una buena conexión a tierra y, presumiblemente, la tubería de agua fría promedio de cualquier casa proporciona una conexión a tierra más que adecuada que es conveniente de usar, siempre que la tubería sea de metal. Raymond Phillips Snr. Presenta una interesante patente US 4.685.047 del 4 de agosto de 1987, titulada “Aparato para convertir energía de radiofrecuencia en corriente continua”. Si bien esta patente habla de energía de radiofrecuencia, no veo ninguna razón en particular por la que esa sería la única energía que podría captar este circuito. La información de la patente es la siguiente: Resumen: Esta patente describe un aparato y métodos para convertir energía de radiofrecuencia en corriente continua para generar energía eléctrica. Incluye una antena dipolar para recibir energía de radiofrecuencia y un circuito para convertir la energía de radiofrecuencia en corriente continua.
El circuito tiene una línea de salida positiva conectada a un polo de la antena y una línea de salida negativa conectada al otro polo de la antena. Un diodo transmisor positivo está en la línea de salida positiva y un diodo transmisor negativo está en la línea de salida negativa. La primera y segunda líneas de bus y un par de circuitos sintonizados de polaridad opuesta acoplan la línea de salida positiva y la línea negativa a la línea de bus con una de las líneas de bus conectada a tierra. Cada circuito sintonizado incluye una primera línea de puente que conecta la línea de salida positiva a la primera y segunda líneas de tierra y una segunda línea de puente que conecta la línea de salida negativa a la primera y segunda líneas de tierra. Cada línea de puente tiene un diodo conectado con una polaridad invertida con respecto al diodo de entrada. Las líneas de puente de cada circuito sintonizado están conectadas entre sí por un inductor y tienen capacitores colocados entre el diodo y las líneas de bus. Un dispositivo de corriente continua está conectado a la línea positiva del circuito.
Antecedentes de la invención: Esta invención muestra un aparato para convertir energía de radiofrecuencia en corriente continua de magnitud suficiente para alimentar dispositivos tales como cargadores de baterías y motores eléctricos sin el uso de amplificación. Ha habido mucho interés en la tecnología dirigida a transmitir energía eléctrica a distancia sin utilizar cables. El desarrollo de esta tecnología tiene un potencial enorme. Esto fue reconocido por primera vez por Nikola Tesla, quien en 1899 construyó una bobina Tesla de 200 pies con una potencia nominal de 300 kilovatios a 150 kilociclos. Tesla esperaba establecer ondas estacionarias de energía eléctrica alrededor de toda la superficie de la tierra, de modo que las antenas receptoras colocadas en puntos óptimos pudieran aprovechar la energía cuando fuera necesario. Tesla pudo encender cientos de lámparas a una distancia de unos 40 kilómetros con su dispositivo sin usar cables. El esquema ha seguido siendo en general una curiosidad científica, pero ha proporcionado las bases iniciales para los desarrollos actuales en los que se están haciendo intentos de transmitir energía mediante microondas. Sin embargo, la potencia transmitida por microondas se prevé en forma de un haz de muy alta intensidad que se enfoca desde un generador de microondas a una antena receptora. Se prevé que esta tecnología se utilice para muchos tipos de propósitos, sin embargo, el haz de microondas enfocado no es adecuado para muchas aplicaciones porque el haz debe dirigirse hacia una antena receptora y no puede transmitirse a través de la mayoría de los objetos, incluidos los vivos, sin destruirlos. objetos.
Esta invención se basa en convertir energía de ondas estacionarias que se emiten desde antenas de radiofrecuencia en el rango de RF en lugar de en el rango de microondas. De particular interés son las frecuencias muy bajas que no se utilizan en comunicaciones y están disponibles para transmitir potencia. También son de interés las ondas de baja frecuencia emitidas por la tierra debido al pulso de su campo magnético. Estas ondas «terrestres» estacionarias de baja frecuencia pueden ser captadas por receptores sintonizados con ellas. Resumen de la invención: Esta invención muestra una antena de RF para recibir ondas de radio. La antena de RF conectada a un circuito configurado para convertir las señales de RF en corriente continua. Las señales de radiofrecuencia recibidas por la antena se transmiten a dos cables, uno rectificado para producir voltaje positivo y el otro rectificado para producir voltaje negativo. El cable de voltaje positivo está conectado directamente a una línea de salida positiva y el cable de voltaje negativo está conectado directamente a una línea de salida negativa. La línea de salida positiva está conectada a un par de líneas de bus a través de un primer par de condensadores, mientras que la línea de salida negativa está conectada al par de líneas de bus mediante un segundo par de condensadores. Entre la primera línea de bus y la línea de salida positiva hay un diodo inverso de polaridad negativa, mientras que entre la línea de salida negativa y la primera línea de bus hay un diodo inverso de polaridad positiva. Las líneas de salida positivas y negativas están conectadas entre sí a través de un inductor que está en paralelo con los condensadores del primer y segundo par conectados entre la segunda línea de bus y las líneas de salida positiva y negativa.

En una implementación de la invención, este circuito se duplica para cada línea de salida positiva y negativa. En otro, el circuito está acoplado a circuitos idénticos adicionales para aumentar la salida de corriente continua de la disposición. En otra implementación, la antena utilizada es una antena dipolar de alambre de aluminio dispuesta en una configuración de «mariposa».
Esta invención utiliza estos elementos para generar corriente continua de potencia suficiente para realizar tareas como cargar baterías, encender lámparas y alimentar motores eléctricos de corriente continua sin el uso de amplificadores. Breve descripción del dibujo: Los caracteres de referencia utilizados muestran partes iguales o similares en cada vista, y lo que se muestra es un diagrama de un circuito, un dispositivo accionado y una antena dipolar que recibe ondas de radiofrecuencia que luego se convierten en corriente continua para alimentar el dispositivo accionado. Descripción de la realización preferida: Haciendo referencia ahora al dibujo a continuación, se muestra una antena dipolar, designada generalmente por el número 10, que recibe ondas de radiofrecuencia de un transmisor de RF.

Estas ondas pasan al circuito de conversión a través de un cable coaxial 13 y la corriente de salida de CC del circuito se usa para alimentar un dispositivo de salida 15, que puede ser, por ejemplo, un cargador de batería, un motor de CC o un dispositivo de iluminación. El circuito no tiene otras entradas de energía y, por lo tanto, no tiene amplificadores para aumentar la energía de RF. La fuente de frecuencias que se puede convertir a corriente continua mediante el circuito que se muestra puede incluir fuentes de ondas de radio de alta frecuencia (HF), baja frecuencia (LF), muy baja frecuencia (VLF) y extremadamente baja frecuencia (ELF), así como sísmicas. vibración de los campos magnéticos de la tierra. Preferiblemente, la antena dipolar 10 está formada por dos bucles triangulares de alambre de aluminio 16 y 17, uno de los cuales está conectado al conductor anular 21 del cable coaxial 13 y el otro está conectado al conductor central 22 del cable coaxial. . El tamaño de la antena bipolar 10 depende de la aplicación particular a la que esté destinada. En una realización de la invención, la antena 10 tiene aproximadamente 30 cm de ancho y 45 cm de largo. Dicha antena se utiliza para recibir energía de cinco vatios, como la generada por un walkie-talkie o una radio de banda ciudadana.
El conductor exterior de la antena está conectado al conductor positivo 21 y el conductor central del cable coaxial está conectado al conductor negativo 22 del circuito. Un diodo transmisor positivo D1 se coloca entre el cable 21 y la línea de salida positiva 25. Un diodo transmisor negativo D2 se coloca entre el cable 22 y la línea de salida negativa 26. Para proporcionar una salida de CC de potencia suficiente, se Los circuitos sintonizados de RF de inductancia-capacitancia 30, cada uno formando una celda positiva o una celda negativa, se utilizan para conectar la línea de salida positiva 25 y línea de salida negativa 26 a la primera y segunda líneas de bus 31 y 32, respectivamente. La línea de bus 32 está conectada a tierra, mientras que la línea de bus 31 se puede conectar a circuitos similares. El inductor 35 sirve como inductor de radiofrecuencia. Como se ve en el dibujo, la celda 30 del circuito sintonizado por RF se repite una pluralidad de veces. En el ejemplo específico mostrado, el circuito tiene celdas separadas 30, 37, 38 y 39. Las celdas 30 y 38 son de polaridad opuesta y se equilibran entre sí, mientras que las celdas 37 y 39 son de polaridad opuesta y también se equilibran entre sí. Para que el sistema funcione, se deben usar un par de celdas polarizadas opuestas.
El número particular de celdas 30 y el valor de los componentes en él, están determinados por la configuración de la antena dipolo 10 y la potencia y frecuencia del transmisor de RF. Este circuito de conversión de radiofrecuencia a corriente continua puede conectarse a un circuito duplicado a través del pin 41 para proporcionar una salida de corriente continua adicional en líneas similares a la línea de salida positiva 25 y la línea de salida negativa 26.Las líneas de salida pueden conectarse juntas para impulsar la producción total del sistema. Una realización operativa de la invención utiliza los siguientes elementos: Diodos: D1, D2, D3 y D4 – Diodos de germanio, tipo 1N34A, Inductores: 35-47 milihenry Condensadores de choque RF: C1 y C2 – 0.47 Pico Faradios a 200 voltios Cable coaxial: Antena Dipolar de 13 a 50 ohmios: bucles triangulares de alambre de aluminio de aproximadamente 30 x 45 cm. A partir de la descripción anterior, un experto en la técnica puede determinar fácilmente las características esenciales de esta invención, y sin apartarse del espíritu y alcance de la misma, puede realizar diversos cambios y modificaciones de la invención para adaptarla a diversos usos y condiciones.
#Tesla #Patentes #EnergíaLibre
Q-Anons España en Telegram 👉 https://t.me/QAnons_Espana